Najbolji članovi
Popularan sadržaj
Showing content with the highest reputation on 04/21/21 u svim oblastima
- 
	7 poena
- 
	4 poena
- 
	Lenj da prekucavam, kao i obicno, pa ce samo copy-paste sa Big DiyA or - Look Ma, with no hands,Beast with thousand iterations!! Logic demands that main schm is here, and all future edits, if and when needed Few facts, for start, so when you ask, I can point you to this post: Rails - regular FW Format - in my case that is 300VA Donut per channel, 18+18Vac secondaries, two Graetz bridges per Donut Iq - 1A7 to 1A8 Autoformer - Cinemag CMOQ-4HPC OS - generic ( means don't care which Factory) IRFP9140 and THF51S Keratherm 86/82 pad for Mosfet, no-name silicon sheet for THF so, schm (as you can see, it is in fact simplified LuDEF ....... which is logical - this exactly lead me to LuDEF and few other Bstrd amps; stay tuned )3 poena
- 
	King of pointless diy3 poena
- 
	Za sada jos uvek ne znam sta cu sa njime , za sada je sklonjen na sigurno i suvo , a imam i jos jedan takav slican Iskra komad isto tako nedirnut , u svakom slucaju meni samo te dve ispravne Philips GZ34 i dve ispravne Siemens EL34 vrede , gde je tek ostalo... inace mi je neka stara ideja da od tih Iskra razglasa napravim jedan Stereo retro orman ~ 2x100W , koji ce da ima kao u originalu u rekovima na sprat , dva 100W mono bloka (svaki sa 4xEL34) , Iskra cevni preamp , radio(tuner) lampas , gramafon ali ipak neki malo moderniji , i sto da ne taj magnetofon trakas na dnu , za sada ih ne diram i ne ukljucujem jer vidim da su pojedini mrezni elektroliti suvi i truli i poceli su da cure sa gornje strane .3 poena
- 
	mora prvo Leonardo da ti napravi jedno alu kućište za slušalice3 poena
- 
	Šta se čeka BA! Ajmo ručice gore! Idemo GB motherboardfuckeri!3 poena
- 
	Naravno da sam se sjetio toga, ali.... moj laptop je zapravo firmin laptop i nisam administrator, pa ne mogu instalirati ništa na njega. Ženin laptop je firmin laptop, pa....ista stvar. Klinkin laptop je klinkin laptop. I ako ga uzmem, pa kao ovaj put dan i pol čačkam po njemu....što da kažem - žao mi je da ga nema. Nije nikad smjela imati niti svoj mobitel.... Propatila je puno i vjerojatno ćemo je razmaziti preko svake mjere, ali....to je jače od nas/mene.3 poena
- 
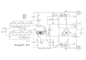
	  SissySIT R.3zerowaf i jedan drugi je reagovao/la na Zen Mod za temu ma jok, sva su ista ja samo menjam naslove2 poena
- 
	  SissySIT R.3vladd i jedan drugi je reagovao/la na Zen Mod za temu Level shifter resistor fine tune schm, post #1 , resistor name is R115 and there is note beside in later sketches - level shifting resistor, explained goal is to have so so symetricall gate voltages of IRFP down and IRF up ....... (so DC offset behavior in Temp/time/mains voltage variations domains is predictable and minimally changing) let's say that they are 4V nominally logic is that source of IRF is approx at level of amp output let's say that you know which Ugs is of SIT you're using ( even if you don't , easy to make adjustment later) ....... and let's say it is nice round figure of -3V value of R115 needs to be adjusted in a way that we have voltage sag across exactly in value of SIT Ugs and that's easy to compute - programmed current of Q103+T101 CCS is in range of 30mA, so for 3V voltage sag calculus is easy R=3V/30mA= 100R in my case I did use 120R for both channels in case that you're using unknown Ugs SIT - all you need after ballpark setting of Iq and DC Offset is to measure Ugs of M101 and M102, and fix** R115 to get them approx. same in absolute number easypeasy **it's cunning to solder there 1pin holders first then push preliminary/temporary resistor in; when final resistor is determined, just solder it in 1pin holders, for better sleep would pack these 1pinners in kits, ZM Genius2 poena
- 
	2 poena
- 
	2 poena
- 
	  300B pojačaloBANAT i jedan drugi je reagovao/la na neskor za temu 2 poena
- 
	  Novopridosle skalamerijeBANAT i jedan drugi je reagovao/la na dejanco32 za temu Za mitinzi i propagandu2 poena
- 
	  Srećkove ZavrzlameSrecko i jedan drugi je reagovao/la na Doktor za temu Nema potrebe za pozitivnim epitetima o DAC-u. Kada vec insistirate, vi ste zapoceli prepisku putem pm ovde, na ovom forumu, o prodaji vasih ESL-a. Drago mi je da ste trenutnog raspolozenja da 63 ne idu ponovo u oglase, kao ni u pm prepiske.2 poena
- 
	  300B pojačaloNesic i jedan drugi je reagovao/la na чика-Брка za temu otpornik i kond u katodu 300B. bice ti mnogo bolji zvuk.2 poena
- 
	  Novopridosle skalamerijeNIXIE i jedan drugi je reagovao/la na vladd za temu Imas i radio i gramofon, sad si miran2 poena
- 
	2 poena
- 
	  Srećkove Zavrzlamebnb i jedan drugi je reagovao/la na Mikorist za temu Nego da se vratimo na temu... +2 za Pedju Rogica Nisam slusao ali je svakako bolje od sobnog bilja2 poena
- 
	2 poena
- 
	2 poena
- 
	  High pitch tone pri visokom bitrateu (split iz "MQA vs FLAC analiza")NIXIE i jedan drugi je reagovao/la na zek za temu A šta bi mi čitali svih ovih meseci da si to odmah uradio ....2 poena
- 
	  Srećkove ZavrzlameSrecko i jedan drugi je reagovao/la na NIXIE za temu Ma ima 2-4kom. unutra plus SUB ili pasivne membrane, zato je u množini.2 poena
- 
	  ZM, random zanimacijePchelac i jedan drugi je reagovao/la na zerowaf za temu Ekran prvi skrene pogled! Zen zna što je s Schrodingerovom mačkom! Kod Zena je Planet Zemlja prvi kondenzator iza GZ34. Zadnji put da je netko tražio reklamaciju je bio Bruss Lee u Julu 1973. Zen je Pavarotiju ugradio prijenosni trafo u glasnice. Ako se i dogodi nemoguće, pa Zenovo pojačalo ode kliping ono i dalje isporučuje savršene četvrke.2 poena
- 
	  Srećkove Zavrzlamevladd i jedan drugi je reagovao/la na paja959 za temu @Srecko moj dobar drugar ima Chord Qutest,svojevremeno je to bio full Quad sistem ESL63,/66+606,u toj iteraciji sam ga slusao,kad Qutest jos nije bio razradjen 100%,pa sam imao neki utisak da je u nekim segmentima napredak,a u nekim segmentima mozda cak i korak nazad,naspram prijasnjeg Chord Mojo-a,i takav neki utisak je imao i moj drugar u prvim danima,ali kasnije je to sve leglo na svoje,barem po njemu,ja slusao od tad nisam jer je ceo sistem spakovan do daljnjeg,posto je prodao kucu...mene je malo to vuklo na neki sterilitet u toj nekoj polurazradjenoj fazi,ali ovu moju primedbu uzmi sa velikom rezervom,nisam digitalista i ne palim se nesto preterano na extravagantne rezolucije snimaka koje znam mozda 45 godina,pa ti se gurne sve i svasta pred nos (uvo)...siguran sam da kod domaceg zastupnika mozes poslusati dobro usviran primerak,ili kuci kod nekog u sistemu,ili da zamolis da se to donese do tebe,nije to neko sveto pismo,ko 2 pakle cigareta.. sto se Lampizatora tice,slusao par,nemoj samo da ispadne 12-ta zapovest,nakon 11-te,sto je Kuzma na ovim podrucjima za gramofone postao.... ..moj savet je kupuj to sto ti stvarno treba,pa ako trebalo,plati malo vise,a ne to sto do cega mozes jeftino doci..2 poena
- 
	  ZM, random zanimacijeVix i jedan drugi je reagovao/la na Zen Mod za temu yup a njivu orem karakterom!2 poena
- 
	  ZM, random zanimacijesp300b i jedan drugi je reagovao/la na Zen Mod za temu 2 poena
- 
	Meni ovo k'o dan mrmota, svaki dan (novo) pojacalo.1 poen
- 
	Vole oni i srebro i zlato, samo se to malo teže nalazi, a i veća je kazna.1 poen
- 
	Doktore ako sam nešto rekao (napisao), šta god da je to bilo ostajem pri tome. Ništa ne povlačim ni sada. Uvek se držim date reči, ali stvarno se ne sećam da smo bilo šta ozbiljno komunicirali u vezi sa “Quad ESL 63” osim sto ste rekli da Vas interesuju. Ni ne sećam se zašto smo uopšte prestali da kontaktiramo u vezi sa “Quad ESL 63”. Vi ste tad osvežavali elektroniku Vaših ESL (Zen) pa sam pomislio da Vas 63-ke više ne interesuju. Zato sam i dao (doduše kratko) oglas na KP da vidim da li uopšte ima nekog interesovanja. To sa A i B sistemom (zato sam i kupio Harbeth-e) je bio moj plan kad sam hteo da kupim veći stan od koga sam odustao. Sada mi “Quad ESL 63” stoje kao “ukras” u sobi. Tek sam sad (kad me je ovaj drugar pitao da ih čuje) počeo da razmišljam da povadim iz ormana i ostale stvari i da pustim B sistem u funkciju.1 poen
- 
	I neka mocna AF pentoda u ulazno-drajverskom delu mesto te 6SN7 , da bi to pojacalo bilo dvostepeno a ne trostepeno kao do sad .1 poen
- 
	1 poen
- 
	Svojevremeno sam uzeo od Pedje njegov tada najbolji DAC ( ima ga u history na sajtu ) The Model. Ima mogucnost slusanja sa i bez trafoa na izlazu ( stavljeni Jantzen ). Pazario sam zbog toga ovde sa oglasa na forumu od clana @machinori Shigaraki klon CD transport. Sve to slusano i bilo jedno vreme u sistemu. Medjutim, vratio sam se na Cambridge Audio CD3 plejer i ovo sada moze biti nekakav prostor za trampu/pregovore. Stoji spakovano. Molim Moderaciju ukoliko misli da je potrebno ovo da premesti u Oglase. P.S. @Srecko zna sta mene interesuje, a bilo je jedno vreme u ponudi.1 poen
- 
	+1 Slucajno sam imao priliku da kod Pedje poslusam njegov primerak Aje na njegovim ESL57 (ne znam sta je ostalo od uredjaja bilo u sistemu) i to je bio, sasvim sigurno najbolji zvuk DAC-a koji sam cuo, bilo u privatnom vlasnistvu, bilo u salonima bilo na sajmovima. Pedjini uredjaji jesu malobrojni i skupi ali po zvuku koji mogu proizvesti i/ili preneti ali i (ne manje vazno) po ekskluzivnosti male serije i kolekcionarskoj i tehnickoj vrednosti vrede svaku ulozenu paricu. Verujem da bi ste se sa Pedjom lako dogovorili da se za vas organizuje jedna slusna sesija i jedna lokalna cena za domaceg kupca.1 poen
- 
	1 poen
- 
	@Srecko,mene jasno ko mrkla noc kako se dolazi do @lampija za ovdasnje potrebe,msm teritorijalne,i koje su otprilike matematike u pitanju u pozadini...samo cu da ponovim "kupuj to sto ti stvarno treba (sonicno),a ne do cega mozes doci jeftino-ili jeftinije(uz pomoc poznanika,ili poznanikovog prijatelja) "...to sto do cega ces doci super povoljno,nije sigurno,da je bas to sto ti treba u stvari... sretno sa kupovinom1 poen
- 
	Mala ispravka - zvučnik. Samo jedan, pa na sto.1 poen
- 
	Link za Vifa visokotonce https://www.aliexpress.com/item/32828799314.html?spm=a2g0s.9042311.0.0.3cb14c4dnicTD31 poen
- 
	Sta da ti kazemo Srecko, tezak je zivot ako ga nisi poceo tako sto si za rodjendane i nove godine dobijao na poklon ploce, ceo zivot menjao delove i slusao promene, ne radi se to sada kad smo porasli.1 poen
- 
	Meni je bilo malo zao u vezi tog nasedanja na englesku maglu, i prazne price i po forumima i placeni rivjui po casopisima, ocene po sluhu nesluhista, razvoja teskog potrosackog mentaliteta i boze moj ljubitelja skoro kao ljubitelja Farme...potenciranja o nekoj posvecenosti i inzenjeringu, uvelicavanje nekih zahvata koji su marginalni i cak namerno opisani pogresno, u cilju ciste trgovacke prevare, a moram i da primetim da je Krca uradio bolji ispravljac za svoju igracku nego NAIM, valjda mu nije bio cilj profit i usteda. I tu je neka sustina. Farma je ipak samo EMISIJA, ko voli gleda ko ne voli ne gleda. Kic je ipak masovnija, demokratskija pojava od umetnosti. Idem da slusam dzez . P.S. Ima u Jeep company celicnih ploca, pa dodati jednu par cm debelu na Quada, da dobije na tezini....postoji neka stara potrosacka izreka, naucena iz americkih filmova, da li je tesko, onda je skupo, a mora i da je dobro...1 poen
- 
	  Srećkove Zavrzlameab je reagovao/la na simplicisius za temu Biću slobodan još jednom da savetujem i da budem direktniji od VLADD. Nemojte kupiti taj kabel, i mnogo važnije, ne kupujte to pojačalo! Koliko god da pretenduje da bude egzotično, mora da bude univerzalno upotrebljivo!1 poen
- 
	Ne sporim to ja, nego je ovo piletina sa krompirom koja se proglasava za jagnjetinu. Ako se neko "ozbiljno posveti", kao sto Srecko rece, ja samo pitam "a cemu " se to taj neko posvetio...opisu pileta da lici na jagnje? Blokada stetnih samoscilacija je zanatski posao, rutinski esnafski(postoje racionalna nepopularna i postoje spektakularna i pomodna resenja), koji samo domacicama koje ne kuvaju moze da prodje kao superfina jagnjetna A to, kupite nas kabal koji smo mi odmerili i secnuli, gde samo mi imamo profit, mi malo deluje bezveze...za nekog ko bi da bude Hadzija u tom svetu. Mozda tako to treba, i ko zna zasto je dobro da su angli namireni sa profitom, nisam u tim vodama.1 poen
- 
	nego @Srecko ,kad smognes malo snage i vremena,ajd prikljuci malo taj Naim na ESL63.....jest ja ove Naime novije generacije zovem vec new kids of the block,jedva da imaju dodirnim tacaka sa chrome bumper/olive serijama,al mozda se sva krv jos nije razvodnila tolko,pa ce se izboriti i sa ESL63 i Supernait 2...1 poen
- 
	@vladd:vidi to je deo njihove recepture,kako treba spremiti fino jagnjece pecenje...u nekoj drugoj kafani,ce pruziti mozda jos bolju,ukusniju,nekom ce odgovarati vise,ta iz prve kafane,nekom iz one druge....hifisti su vec takvi,kao i gladni gosti u restoranu,klopu nek spremaju kuvari,oni hoce samo da jedu finu,ukusnu hranu,i ne interesuje ih koje banalne trikove je kuvar ubacivao u spremanje hrane...1 poen
- 
	Dobar dan Srecko [emoji16] Aj odmarajte, ja moram da zalivam papriku [emoji3526]1 poen
- 
	upravo to treba da bude jedino merodavno, ovo je ipak hobi (bar za vecinu) e sad, dobro je kad je kombinovano sa upucenoscu (ali i ne mora) greska je jedino kad neko svoje licno odusevljenje i slepu ljubav krene proglasavati za svima merodavno, e to je onda sektasenje1 poen
- 
	Otprilike to je trenutno stanje - na KP, nisam bas gledao baze ali trazeci stapove, kod par prodavaca vidim da nemaju bazu, mozda je neka druga aktuelna. Ja cu kupiti jos jedan stap i jedno 4 vrha, da imam. Za obican rad su vrhovi sa oznakom 900M-T-B, svi drugi spicevi su manji. Evo sta sam nasao na gomili ( Ifix treba pitati tel. sta imaju, nekad nemaju sta treba na stanju ili imaju komad, kako kad ) : Stapovi : http://ifix.rs/proizvodi/rezervna-drska-za-lemilicu-za-model-bk-936d-i-bk-702b/ https://www.kupujemprodajem.com/elektronika-i-komponente/alati-i-materijali/drska-za-lemilicu-baku-bk-936-936d-muska/oglas/35784079 https://www.kupujemprodajem.com/elektronika-i-komponente/alati-i-materijali/rucka-za-bk936-baku-936/oglas/51576854 https://www.kupujemprodajem.com/elektronika-i-komponente/alati-i-materijali/rucka-za-bk936-baku-936/oglas/51576854 Vrhovi : http://ifix.rs/proizvodi/vrh-za-lemilicu-baku-bk-900m-t-b/ https://www.kupujemprodajem.com//alati-i-orudja/za-elektroniku-i-elektriku/vrh-za-lemilicu-lemljenje-baku-bk-900m-t-b/oglas/68839463 https://www.kupujemprodajem.com/elektronika-i-komponente/alati-i-materijali/vrh-za-lemilicu-baku-bk-900m-t-i-/oglas/671373791 poen
- 
Trenutno na sajtu 3 članova, 0 Skrivenih, 65 Gosta (Pogledaj celu listu)
- 
Forumska statistika9.1k
 Ukupan broj tema446.8k
 Ukupan broj objava
- 
Statistika članovȃ
 
		 
	 
	 
                     
                     
                     
	 
	 
	 
                     
                     
                     
                     
                     
                     
                     
                     
                     
                     
                     
                     
                     
                     
                     
                     
                     
                     
                     
                     
                     
                     
	 
	 
                     
                     
                     
                     
                     
	 
	 
                     
                     
                     
	