Sve aktivnosti
- Poslednjih sat vremena
-
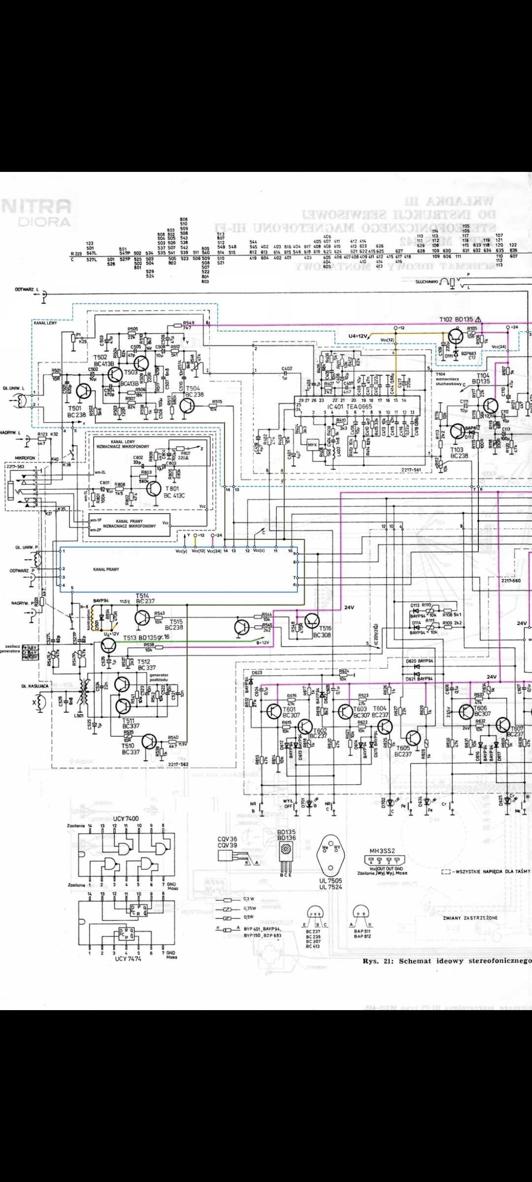
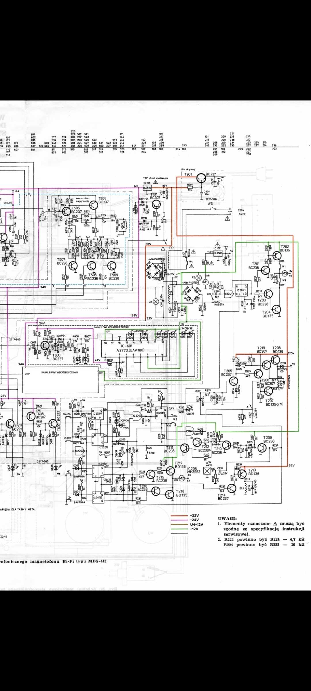
Dobro vece, evo problema sa dekom nakon par mjeseci slusanja. Kad ga upalim dok je jos kako bih rekao hladan onda pali normalno dugme za snimanje, kasnije nece. Isto tako nakon par minuta krece da krci kao da gubi neki kontakt. Zvuk se iscisti pa onda opet oslabi. Vrati se u normalu kad se stisne dugme za zastitu kaseta od presnimavanja Stavio sam mu novi relej i novi prednji panel Krivo mi da ga bacim, nekako mi ima fin zvuk. Shemu imam kompletnu ali ne moze da stane zbog velicine fajla pa evo ovako na pola
-
Pchelac je reagovao/la na komentar na temu:
Zanimljive, smešne i čudne fotografije
-
Ikaro je reagovao/la na komentar na temu:
Zanimljive, smešne i čudne fotografije
- Danas
-
LightMatic je reagovao/la na komentar na temu:
Zanimljive, smešne i čudne fotografije
-
ninja je reagovao/la na komentar na temu:
Zanimljive, smešne i čudne fotografije
-
Zanimljive, smešne i čudne fotografije
grone je odgovorio/la Mikorist's temus u Muzika , Film i Fotografija
-
Ikaro je reagovao/la na komentar na temu:
Zanimljive, smešne i čudne fotografije
-
grone je reagovao/la na komentar na temu:
Zanimljive, smešne i čudne fotografije
-
PSYTrance , HoUsE, TEChNO, eLeCtRo, AmBienT :)
Mikorist je odgovorio/la BANAT's temus u Muzika , Film i Fotografija
-
Zanimljive, smešne i čudne fotografije
LightMatic je odgovorio/la Mikorist's temus u Muzika , Film i Fotografija
Jel' ovo Wall of Sound? -
LightMatic je reagovao/la na komentar na temu:
Zanimljive, smešne i čudne fotografije
-
Zanimljive, smešne i čudne fotografije
Mikorist je odgovorio/la Mikorist's temus u Muzika , Film i Fotografija
Dok god se sva beogradska govna izlivaju tamo kod njih, žitelji Beograda na vodi mogu da se farbaju u zlatno, al’ od mirisa fekalija neće pobeći. To ti je ko kad sipaš Arijel u septičku jamu, lepo zvuči, al’ džaba, zna se šta tu vlada. Može tamo da niče staklo, mermer i pozlata, al’ brate, miris je i dalje čista realnost sa drenažom. -
PSYTrance , HoUsE, TEChNO, eLeCtRo, AmBienT :)
Mikorist je odgovorio/la BANAT's temus u Muzika , Film i Fotografija
-
Zanimljive, smešne i čudne fotografije
Ikaro je odgovorio/la Mikorist's temus u Muzika , Film i Fotografija
-
Zanimljive, smešne i čudne fotografije
LightMatic je odgovorio/la Mikorist's temus u Muzika , Film i Fotografija
-
LightMatic je reagovao/la na komentar na temu:
Zanimljive, smešne i čudne fotografije
-
BANAT je reagovao/la na komentar na temu:
PSYTrance , HoUsE, TEChNO, eLeCtRo, AmBienT :)
-
PSYTrance , HoUsE, TEChNO, eLeCtRo, AmBienT :)
BANAT je odgovorio/la BANAT's temus u Muzika , Film i Fotografija
Andy Compton -
Zanimljive, smešne i čudne fotografije
aaa zmaju! je odgovorio/la Mikorist's temus u Muzika , Film i Fotografija
- Juče
-
PSYTrance , HoUsE, TEChNO, eLeCtRo, AmBienT :)
Mikorist je odgovorio/la BANAT's temus u Muzika , Film i Fotografija
Ovo je ludilo....(boles)mozga...ima negde i ambient mix.... nađoh -
Ikaro je reagovao/la na komentar na temu:
Ei HZK 12034
-
ja napisah, a ti radi kako mislis da treba onda 250K sa Alija
-
Verovatno ne preostaje ništa drugo
-
u pitanju je Hifi pojačlao sa originalnim potom 200k. Tako da definitvno treba razmotriti 250K
-
Zanimljive, smešne i čudne fotografije
Mikorist je odgovorio/la Mikorist's temus u Muzika , Film i Fotografija
-
i dalje stoji moje pitanje potovi velikih vrednosti su sve problem, nista korist, u najvecem broju slucajeva neophodni nekad zbog specificnih impedansi cevnih uredjaja, tj. navika kako su sklopovi konstruisani....... prvenstveno izvori danasnji izvori sasvim normalno funckionisu i sa 10K i 25K vol potovima, sto samo po sebi cini interkonekte daleko manje kriticnim jbte, na Gibsonu P90 voli da vidi vise od 250K ......
-
Ima drugar, kupio polovne očuvane baš u vreme kad smo bili cimeri 20+ godina ima tome. Uživali smo poštenski u tom zvuku, to je čak isteralo i jednu žuraju, u nedostatku adekvatnog ozvučenja. Nedavno se nađem kod njega, svratio na kafu i odmah pri ulasku u sobu... uhh, to je taj zvuk. Čoveče, baš smo bre imali audio industriju, za nevericu i tugu šta smo sve sjebali, trebalo bi nas zabraniti kao narod
-
Zanimljive, smešne i čudne fotografije
Aleks je odgovorio/la Mikorist's temus u Muzika , Film i Fotografija
Ovo 310 je definitivno Niš Sinoć nije bilo moguće izaći iz stana na 2 (slovima: dva) minuta i ne usmrdeti garderobu na smog. Mogu onda da zamislim kako je plućima -
Svakako da moze 250k. Ne bih bezao od Alija, jer iskustva sa ovim su jako dobra: Original Alps RK27 Serie Audio Rotary Potentiometer 10k 20k 50k 100k 250k 500k Dual-Unit 6pin Slotted 25mm Handle 10~500kax2 - AliExpress
- Pre nedelju dana
-
Znam da mi nije neka obrana i opravdanje ali ja se tješim sa tim da ima i gorih zavisnosti od ove od koje ja patim. Prije ih je bilo nekoliko, sad mi je jedino ova ostala....
-
Zanimljive, smešne i čudne fotografije
LightMatic je odgovorio/la Mikorist's temus u Muzika , Film i Fotografija
Nisam predbacivao tebi ništa, nego ovima što su izbacili informaciju.....Ahaaa, ima i ostatak, oprosti na brzopletosti... -
retko mi se desilo da bilo sta sto sam cuo kadsambijomali, vredi ulozenog posla danas za sve sto je HSR to narocito vredi
-
koja sprava? Mozda i ne mora 200K
-
Zanimljive, smešne i čudne fotografije
Vix je odgovorio/la Mikorist's temus u Muzika , Film i Fotografija
Mislim da sam negde ugledao nula!?
-
Trenutno na sajtu 6 članova, 0 Skrivenih, 288 Gosta (Pogledaj celu listu)
-
Forumska statistika
9.1k
Ukupan broj tema447.3k
Ukupan broj objava
-
Donacije - Donations
-
Poslednji statusi
-
Hi Zen Mod,· 1 komentar
Many thanks for uploading the ZIP archive with all the photos and plans — that was incredibly helpful!
I finally managed to access everything properly.
You’ve built a really great community here — congratulations and thank you again for your work!
Best regards from France,
Serge
PS : There's an error in my email address; here's the correct one: [email protected]
Please correct it in my account.
-
bez Žene , , javljam se , nhf , dina pes , slučajno , nick name , pojasnim ak treba , nis provokartor , pamtim nebitne stvari , a postajem senilec nhf . do sad smo si bili dobri· 4 komentara
-
Dobar dan,· 0 komentara
molim vas za kontakt gospodina Salaia. Prijatelju treba servis MC glave.
Pozdrav, Braca
-
Postovanje i srecni praznici,· 1 komentar
Koristim ovo vreme bez porodicnih obaveza, da Vam postavim pitanje i znam da imate odgovor.
Imam rft l 3702 u kutiji sa cetri njihova visokotonca.
Zbog prostora moram OB,
na ovom snimku vidim da OB radi perfektno sa jednim njihovim visokim.
https://www.youtube.com/watch?v=A1RzHyX1liE
Da li kod OB SPL ovog basa nije vise 99db sa prednje strane i da li bih onda mogao da koristim Philips AD 7063 kao drugi zvucnik.
Odgovor nije hitan,
Pozdrav,
Zvonko
-
Nije tolko bitno , ali ? onemogučeno mi je čitanje nekih poruka ? ! el , sam negde pogrešil , uključujuči mođane ? moglo bi biti ono "kao - ja sam ostao" ! . Ne ma tu zločestoče ! , ni jala ! i ino , sam osobna odluka . Glavno da smo uspješne osobe (uvjetno rećeno ) naši nasljednici ? Znam da bi prića u živo drugaćije izgledala , no ? sam pričamo , i izmjenjujemo iskustva itd ...· 5 komentara
-
Postovanje· 1 komentar
Da li ima neko sa vasim predpojacalom voljan da dodje do mene na probu, Cerak
u potrazi sam za istim koji bi mi se uklopio ,Imam Acoustic Invader snagasa i Fokus 160 kutije
Dobio sam preporuku na hifi forumu
pozdrav i hvala
Sinisa
-
Zahvaljujem se "CIKA BRKI", uz njegovu pomoc napravih ovo lepo pojacalo, SUPRAPHON na limundu 2000 i delovi 1200, dva parketa i parce lima, i veliko iznenadjenje kako lepo radi sa jbl 92 db.· 1 komentar
Svima pozdrav,
Zvonko
-
Posto ne mogu u temi Donacije,· 1 komentar
dao sam dao 30Eur za naš site, jer se ne vidi sa PayPal naloga
Pozdrav Miša
-
Pops N Cracks· 2 komentara
WWW.FACEBOOK.COM Pops N Cracks ist bei Facebook. Tritt Facebook bei, um dich mit Pops N Cracks und anderen Nutzern, die du kennst, zu...
-
https://www.facebook.com/profile.php?id=61552051791679· 1 komentar
Pops N Cracks
WWW.FACEBOOK.COM Pops N Cracks ist bei Facebook. Tritt Facebook bei, um dich mit Pops N Cracks und anderen Nutzern, die du kennst, zu vernetzen. Facebook gibt Menschen die Möglichkeit, Inhalte zu teilen und die Welt...
-
Dobar dan, moje postovanje,· 6 komentara
Da li znate ko ima na prodaju Nixie in-13 cevi?
Unapred hvala.
Pozdrav!
-
Pzd. Ja cu da pokusam da probam da rezem navoje u Al sa ovim. Normalno za cnc ali ja cu to da stavim na garaznu busalicu 700W ona stolna. Sa rucnu kao dewalt i baterija 4 A strah me da ne sjebem navoj u toku vracanje za to cu da probam nesto drugo.· 0 komentara
-
Imam izrezane elemente za nekakav Skyline difuser od stiropora. Ima li netko savjet s čime da ih polijepim? Ljepilo za drvo?· 2 komentara
Kad ukucam "Ljepilo za stiropor" dobijam samo rezultate vezane za građevinske radove.
-
Postovani,· 0 komentara
Zamolio bih za jedan info ako je moguce, samo da mi priblizno odredite zvucne domete jednog Apex predprojacala, model je bt40, na kp sajtu se prodaje vec neko vreme pa me interesuje u kojem zvucnom rangu je, neko poredjenje sa nekim poznatijim preampom, cisto informativnog karaktera...hvala unapred !!!!!
Srdjan
-
Nezgodan je bas jer je velika površina isijavanja.Ako napraviš,znaćeš valja li.· 1 komentar
-
; hm , evo nisam neuk , al nije me sramota pitati ! . ! smjestlio me u cc 10 m 2 , sam zvučnici , jel ? lowter , širokopojasni il ???· 4 komentara
-
Poštovani,· 2 komentara
da li imate još na prodaju štampanu ploču BatoMM sa svim pripadajucim elementima?
Sa poštovanjem,
Đula.
-
Da ne otvaram temu jer vjerojatno nisam kupac, a napraviti očito ne znam.· 1 komentar
Ali sam ljubopitljiv. Kakav je Hiraga Phono pre za MM sa ukupno 4 ECC83 lampe? Iz L'Audiophile magazine 1981. godine.
-
Postovani,· 0 komentara
mislim da sam negde na forumu naleteo da zelite da pravite Apex F40.
Ako sam dobro "naleteo" interesuje me kako stojite sa time.
Mislim da uskoro pocnem da pravim ovo pojacalo ali mi fale plocice.
Pozdrav Misa
-
Kovjanic » Mirko Lazic - M L acoustic
ima li neki link koji moze da se otvori i koji je aktivan ?· 1 komentar
koja je precizna adresa ML-a ?
-
Kolega pozdrav .Htedoh da te zamolim za pomoc ,naime radi se o zvucnicima cabasse sloope m4 koje si imao. Nude mi se pa htedoh da te pitam jel valjaju sta i koloko vrede da se plate. Meni traze oko 400e , da nije to malo puno za njih. Zanima me i koji je fazon zvuka , ima li basa dovoljno i da nisu nesto ostre - naporne za slusanje,to mi onda ne bi odgovaralo.Imam malo Zen pojacalo 2x10 wati u cistoj A klasi , trebalo biu da se matchuje dobro sa tim. Sta ti mislis , jel vredno to kupovine. Hvala ti unapred na odgovoru. Evo ti da imas i tel.....pozz· 0 komentara
063224113
-
-
Popularni članovi