Najbolji članovi
Popularan sadržaj
Showing content with the highest reputation on 04/28/21 u svim oblastima
- 
	Ima lik kod nas u bloku koji je otvorio šank u nosećem zidu. Pa se zaista nakrivila zgrada...Papan4 poena
- 
	eh, nismo jos ni na pola spiska3 poena
- 
	Čini se da je vreme da uman, statistici i tabelama vičan stručnjak kao Wladd ili Mikoo, napravi jednu Mrčosoft.excel tabelu sa unetim razlikama i parametrima, svih modela i varijeteta. Koliko da se snađemo u tom ZenVilajetu, razlika, sličnosti i specijaliteta. Ne pišem ja ovo radi sebe, već radi preduzetje3 poena
- 
	Razigrao se kao Kićanović '79. ili Petrović '86.3 poena
- 
	3 poena
- 
	2 poena
- 
	2 poena
- 
	  Novopridosle skalamerijeVix i jedan drugi je reagovao/la na NIXIE za temu Sve je bolje. Sad moram da nađem Topping E30 za probu, on je jeftiniji dosta a kažu da dobro sviri, valjalo bi to proveriti. Planiram mali upgrade sistema za sestru, naravno ona o tome još ništa ne zna, ali saznaće.2 poena
- 
	  Novopridosle skalamerijeSpachek i jedan drugi je reagovao/la na gluv_i_udaren za temu Logično, stisnut je na sredini2 poena
- 
	2 poena
- 
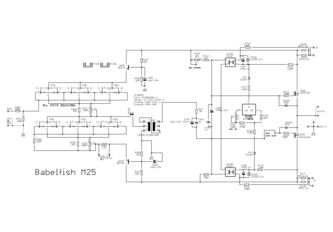
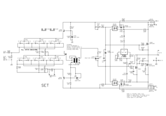
	Yup, improved iteration of previously made Babelfish M25 Who remembers - 'twas bstrdzd FW M2 with implementation of XA25 main trick - Square Law arrangement of OS mosfets, in simpler words - mosfets in OS put to work without source resistors Result - looooow THD of OS, but main difference being broader A Class envelope , most prominent in context of 4R load - where regular M2 is KlunK!ing around 12-13W, while B. M25 doing the same around 40W ...... rest to max being KlunK! This pcb made for easy implementation of Schade arrangement for one OS mosfet, arbitrary chosen to do that with lower one, even if that is making some problems with choice of small mosfet for source follower/level shifter ....... I need one with lower Ugs treshold ( it adds to Schaded mosfet Igs) , and P channel small mosfets with that are scarce, somewhat Anyway, find enclosed both schmtcs, full one ( all parts on pcb populated) for SET (Schade Enhanced Thingie) and second - few parts omitted - for Babelfish M25 R.2 note - slight tweaks of THD Spectra, for one's Golden Ears, possible with change of output mosfets - down one can use either IRFP9140 or 9240, up can go IRFP240 or 150 about that later reminder - extensive ( if crude) explanation of biasing mechanismus posted in LuDEF thread , posts #32-#37, LuDEF Today - all files for Babelfish M25 R.2 ; anyway - read captions - each file is properly named and have caption1 poen
- 
	ima jos parnekoliko , u fijokci1 poen
- 
	Koji grupnjak unimera tc,tc, tc, tc. Teška pornografija.1 poen
- 
	1 poen
- 
	How it sounds ...... will it drive F4? I'm gonna toss all my precious ( 'till today) SITs and VFets to OPLDF bin, cruncher is gonna work these days anyway ..... THD Spectra comparison with SissySIT - go to #7 in https://www.diyaudio.com/forums/pass-labs/371272-sissysit-3-a-post6626308.html1 poen
- 
	1 poen
- 
	aha, svake godine @Superfi mi salje seme, paradajz, paprika bilo to za napolje ili baraku1 poen
- 
	2.0 GHz Core 2 Duo (T7200) / 2 GB RAM / Avgust 2007 Ubačen SSD. Kao Audio izvor radi perfektno!1 poen
- 
	ama kakva kravata. da ga snimi autenticno bez ulepsavanja. sa sve lupom na glavi1 poen
- 
	mogu da zamislim Zen-a sa kravatom kako opisuje svoja pojacala1 poen
- 
	1 poen
- 
	Dovoljno je da snimi nesica sa onom skalamerijom kako se mere zvucnici A Zena kako stanca pojacala kao na traci da ne govorim1 poen
- 
	1 poen
- 
	ama šta ima veze . bitno je da dođe Šćepan da te snimi1 poen
- 
	Ja imam i drzač za kapak očni. Oće da počne da igra a to utiče na zvuk ušni1 poen
- 
	1 poen
- 
	1 poen
- 
	Mi ispraznili bure s kupusom, ostao kamen?1 poen
- 
	1 poen
- 
	1 poen
- 
	Kako nema ? Msm da je bila poslednja sa Radišom ( kraj februara ). Uostalom, @ScepanBGD je član ovog foruma, javiće se već.0 poena
- 
Trenutno na sajtu 3 članova, 0 Skrivenih, 65 Gosta (Pogledaj celu listu)
- 
Forumska statistika9.1k
 Ukupan broj tema446.8k
 Ukupan broj objava
- 
Statistika članovȃ
 
		 
	 
	 
	 
	 
	 
                     
                     
                     
	 
	 
                     
                     
                     
	 
	 
                     
                     
                     
                     
                     
                     
                     
                     
                     
                     
                     
	 
	 
                     
	 
                    