Sve aktivnosti
- Poslednjih sat vremena
-
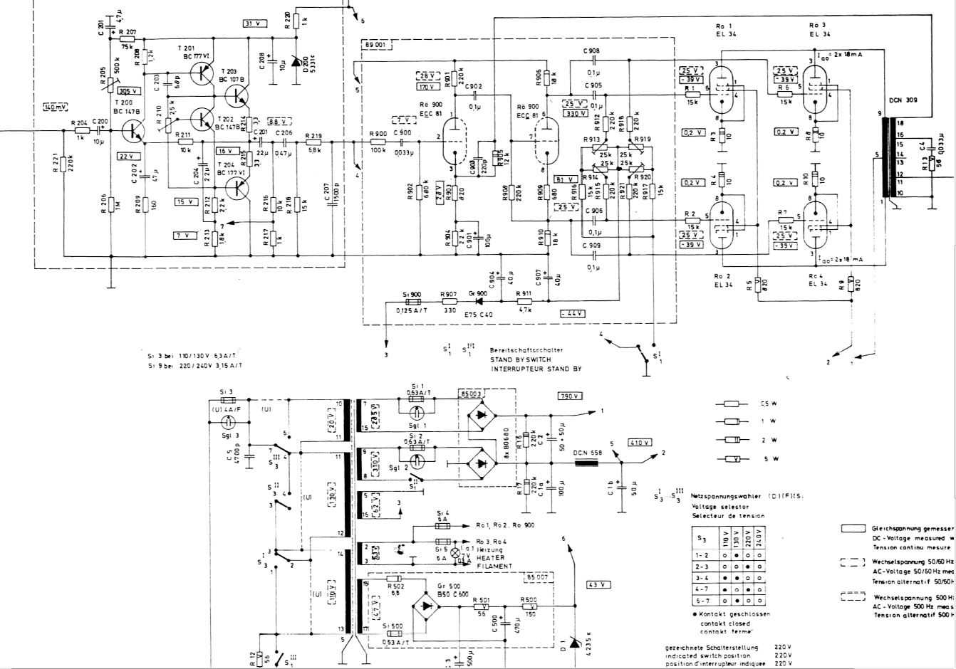
Naravno da hocu ! , i to prvo ove trule iz B+ linija visokog napona sa kvalitetnim novim od 450V / 105C , kao i redom sve ostale elektrolitske starudije , ali cu pre nego izvadim sasiju da ipak selektor radnog mreznog napona postavim na 240Vac umesto 220Vac kako je sada i kako je bilo dugo vremena , btw , gledajuci originalni servisni manual nalazim kako su na lukav i jednostavan nacin inzinjeri iz Dynacorda limitovali maksimalnu izlaznu snagu na nekih 160W -RMS , tako sto su na prve resetke EL34 dozvolili max. sving od samo 25Vac audio signala za tu deklarisanu maksimalnu nominalnu izlaznu snagu, dok su resetkini negativni naponi podeseni na -39Vdc za 18mA mirne struje po svakoj EL34 lampi ,sto meni znaci da u tim uslovima rada izlazni stepen snage uvek je daleko od klipinga i vecih generisanih distorzija , a ujedno ce tako i te 34-ke mnogo duze da potraju .
- Danas
-
LightMatic je reagovao/la na komentar na temu:
Čime se zanimam... (ovih dana )
-
LightMatic je reagovao/la na komentar na temu:
Čime se zanimam... (ovih dana )
-
a ce zamenis taj osedeli kond ...........
-
Ikaro je reagovao/la na komentar na temu:
Čime se zanimam... (ovih dana )
-
Ikaro je reagovao/la na komentar na temu:
Čime se zanimam... (ovih dana )
-
grone je reagovao/la na komentar na temu:
Čime se zanimam... (ovih dana )
-
grone je reagovao/la na komentar na temu:
Čime se zanimam... (ovih dana )
-
krca44 je reagovao/la na komentar na temu:
Čime se zanimam... (ovih dana )
-
Vix je reagovao/la na komentar na temu:
Čime se zanimam... (ovih dana )
-
Vix je reagovao/la na komentar na temu:
Čime se zanimam... (ovih dana )
-
Vix je reagovao/la na komentar na temu:
Čime se zanimam... (ovih dana )
-
-
-
Da ne otvaram novu temu ali bice i to uskoro kada ovaj 200W Dynacord stigne na red za refresh , btw, ovo pojacalo jos uvek dosta dobro radi cak i sa tako starim i losim mreznim elektrolitima od kojih jedan ocigledno i curi , unutra su od lampi 4x EL34 Tfk koje trenutno rade sa B+ od 830Vdc , tu je i jedna ECC81 koja ih sve cetiri ganja , ostalo je napravljeno sa poluprovodnicima , ima odlican krupan izlazni trafo napravljen na duplom C jezgru , mrezni trafo je ogroman i sigurno je preko 30 kvadrata preseka jezgra , onako na prvi pogled ali i gledajuci servisni manual par ovakvih mocnih 200W pojacala uz neke sitne prepravke mogla bi bez da se ``oznoje`` da poteraju i neke najzahtevnije kucne HI-FI zvucnike , tipa magnetostati ,elektrostati ,...
-
Krco licno ja bih se pri izradi izlaznog trafoa za PP-AB1 triodni mod rada drzao RCA datasheet preporuka gde je Raa=3K , ta vrednost ima smisla jer je unutrasnji otpor 807 triodno spojene mnogo manji nego kad je pentodno spojena , pa samim tim je i izracunata i preporucena impedansa primara izlaznog trafoa manja da bi dobila optimalna izlazna snaga pri nekoj kompromisno prihvatljivoj najmanjoj distorziji , cenim da je u takvom triodnom spoju distorzija oko ili ispod 1% pri 15W izlazne snage , ako tu upotrebis 10K trafo izlazna snaga ce biti i daleko manja ali i sama distorzija , jedino sto mozes da probas jeste da na 8 Ohmskom izvodu sekundara prikljucis 4 Ohma zvucnik , tako bi se reflektovana impedansa u primaru trafoa smanjila na 5K , ti izlazni trafoi koje imas su rekao bih odlicno napravljeni ! , tako da sam siguran da bi oni lepo radili sa B+ od 600Vdc , to sto je zica primara duplo deblja u odnosu na izracunatu najmanju potrebnu debljinu jeste samo velika prednost iz mnogo razloga ! , jedan vazan je da su tako gubici usled termogenog odnosno Rdc otpora primara manji , pa i samim tim i zagrevanje zica primara je manje .
-
Sto se ovoga tice u pripremnom periodu jedan od podataka koje gos. Shindric trazio od mene jeste i B+ sa kojim bih radio i ja sam napisao 400-420Vdc ( cini mi se ) pa tako ne znam, mogu pitati, da li trafoi mogu raditi sa 600 Vdc - msm to je deo konstrukcije trafoa koj ja prosto ne znam. Svaka sekcija/polovina primara moze inace raditi sa max. signalnom strujom do 150mA sto je mislim skoro duplo vise od onog sto 807 moze po pitanju struje u A/B klasi ( podaci u RCA/STC datasheet-ovima su davani za dve cevi za parametre mirna i max signalna struja ). Da pojasnim zasto trioda i 10K primar - triodni izlaz jer mi treba najbolji moguci damping faktor - zvucnici su efikasni nominalno 96dB, nesto manje u midbasu ali taj midbas nije vrlo osetljiv ( 12" ) vec negde srednje osetljiv pa mu treba pojacalo sa malo boljom kontrolom. 10K primar jer je Williamson tako radio, pa zatim razni Amerikanci koji su koristi jednostavnije trafoe i 807 / 6L6-GB / 5881 sa tom topologijom a dodatno jer je Western Electric u "tetrodnom" rezimu takodje koristio trafo sa 10K primarom iako su kasnije korisceni trafoi sa mnogo nizom primarnom impedansom koji mislim vise odgovaraju za UL/pentodna pojacala. Onu stranicu, drugu iz STC datasheet-a gde za AB1 klasu preporucuju 3K izlazni trafo sam video ali nisam video da je neko to zaista radio - mozda i jeste samo ja trenutno nemam saznanja o tome. Sem toga da li sam izlazni trafo moze raditi sa 600Vdc na primaru - elementi za tako nesto nisu problem... iskreno ne bih to pokusavao za pocetak vec ako mogu mozda kasnije kad stekenem neko iskustvo u gradnji pojacala. Hvala za dalje preporuke
-
Ako nas zapadnjaci uskoro opet osinu sankcijama na naftu ja se vracam na mog starog Golf-1, 1,6D iz 1980 , pogotovu sto za njega imam u rezervi i oko 600Kg raznih rezervnih delova .
-
Sve čovek u pravu Najjače mi ovo za features, kao ti si kupio auto, on ima full opremu, ali da bi "otkljjučao" recimo automatsku klimu ili adaptivni tempomat, ti se SUBSCRIBE-uješ na to tipa 39$ mesečno plaćaš pretplatu jbt na opremu i onda ti ona otključana Lepo mi dođe da uzmem ovo Mercedes Benz E 124 2.3 Redni WWW.POLOVNIAUTOMOBILI.COM Mercedes Benz E 124 2.3 Redni, 1988. godište, Limuzina, Benzin + Gas (TNG) 2280 cm3, vozilo prešlo 227000 km, Vršac. Putnička vozila - Polovni Automobili Uložim sredim i da imam da se vozam dobro vrlo prijatno, vrlo polako i oslobođeno
-
Dokaz da smo dva koraka ispred Evrope, pa mi smo oduvek vozili aute stare (nove) od 10-15 godina ;)
- Juče
-
Krco ako vec imas namotane izlazne trafoe sa Raa-10K onda je to odlicna vrednost za pentodni AB1 klase continualan (CCS)rad sa 2x807 ,a koji daje oko 56W max. pri B+=600Vdc i B+g2=300V , i pri -Ug1 od -34V , standardne pentode snage su veoma lake za pobudu isto kao i te 807 mlazne tetrode ,za punu izlaznu snagu od 56W potreban pik sving mereno sa g1 na g1 je 68Vac-pp ,sto i nije tesko postici u bilo kojoj konfiguraciji ulazno/obrtackog/drajverskog stepena , u tom 2x807 pentodnom rezimu rada siguran sam da je THD samog izlaznog PP stepena pri punoj izlaznoj snazi ispod 2% ! , sto ih veoma priblizava THD karakteristikama pojedinih trioda , iz mog iskustva pentode ili mlazne tetrode u audio pojacalima treba tako i vezati , dok za triodni rad izlaznog stepena treba ipak izabrati i odgovarujuce triode . btw , B+ 600Vdc i 300Vdc linije se veoma lako mogu napraviti ako na visoko naponskom sekundaru mreznog trafoa imas oko 420Vac sa srednjim izvodom .
-
Hvala - imam Claus-ovu knjigu samo imam i jos toliko literature za konkretna pojacala da sam vec dvaput suzavao izbor, za pocetak, pa ipak se opet pojavi jos nesto interesantno. Recimo skoro sam video rani McIntosh A116 dok jos nisu poceli sa upotrebom njihovih specijalnih trafoa - to mi deluje zanimljivo mada mislim da nije jednostavno. Leak TL12.5 mi je bio zanimljiv samo je jako osetljiv na ulazu. Posto bih radio 807 u triodi za AB1 klasu treba 35-40 volti pobude pa ne znam da li pojacala radjena sa EL34 UL izlazom imaju odgovarajuce pobudne stepene ili bi se to moralo podesiti u praksi ( mislim na vec isprobane primere kojih ima puno ).
-
Claus Byrith napravio je po mom misljenju sasvim pristojno svoje 4-30 pojacalo snage koristeci za osnovu Mullard 5-20 topologiju , btw, za razne topologije nije losa ni ECC40 dupla trioda , osim sto je problematicna oko specificnog rimlock podnozja. Mullard 4-30 amplifier_30wpp.pdf
-
Hvala za preporuke Nisu one tri topologije zacrtane u kamenu, svakako bih probao jos nesto dok je na dasci. Sto se tice cevi imam ruske 6SL7 i 6SN7, EF86 planiram da nabavim a dodatno imam jos neke pentode koje se mogu vezati u triodni spoj i koristiti samo mislim da to zahteva dizajn koji je trenutno van mog opsega - eksperiment je svakako moguc - cevi su E180F/6J9P-E i E83F audio pentoda sa g2:g1 = 34-38. Od Noval cevi imam 6N1P-E i 6S3P-EV ( high gm cev ) - planiram nabavku ECC81/82/83, kad budem mogao.
-
Po mom skromnom misljenju uradi Mullard 5-20 topologiju ali sa ulaznom EF86 triodno spojenom nikako pentodno spojenom , isto tako predlazem ti da probas i proverenu jednostavnu Iskra, Dynacord ,Grundig, Gelloso topologiju,..., tu je dovoljno da imas po bloku samo po jednu 6SN7 ili 6SL7 oktalnu duplu triodu kako za ulazno naponsko pojacalo tako i za obrtac faze odnosno drajver , ali umesto tih oktalnih moze tu i poneka noval dupla trioda da prodje bez problema.
-
Iako pojma nemam o cijevnoj tehnici, iznimno mi je drago da se radi, najiskrenije, kao i da sam nešto radim. Zato, samo naprijed braćo i sestre (ako vas ovdje ima)....
-
https://music.youtube.com/watch?v=-ctgPLe5bk4&si=9gfErbzOKM2Lxkgr
-
Sa obzirom da u poslednje vreme izuzetno retko palim CD plejer a funkcionalan CD snimač više ni nemam, teška srca reših da rasprodam svoju zalihu CD-R medija. Sve sam mislio neka stoje, leba ne jedu, možda će nekada naleteti neki zanimljiv CD transport, itd, ali ne mogu više da ih premeštam iz iz ormana u orman. Reč je o TDK Metallic seriji diskova, made in Japan, proizvođač je čuveni Mitsui. Pre mnogo godina sam testirao različite CD-R diskove i ovaj TDK je primetno bolje svirao od svega što sam probao, tako da sam kupio veliku količinu i snimao isključivo na njima. Tehnčki podaci koje sam tada dobio putem Nero CD Speed Disc Info programa su sledeći: Manufacturer : Mitsui Code : 97m27s58f Disc Type : CD-R Usage : General Recording Layer : Dye Type 8: Short Strategy (Phthalocyanine) Recording Speed : n/a Capacity : 79:59.74 703 MB Za ove diskove sam se dodatno bio odlučio zato što su MFSL Gold ULTRADISC CD-R diskovi takođe bili Mitsui Phthalocyanine (doduše sa zlatnim reflektujućim slojem). Za razliku od plavog Azo sloja na Verbatim diskova, ovi imaju pomenuti Phthalocyanine sloj šampanj zlatne boje. Poslednji od ovih TDK sam snimio ima sigurno više od 10 godina, tako da trenutno nemam funckionalan CD snimač i ne mogu da napravim probu snimanja. Zato sam ovih dana na CD plejeru (Rotel RCD-1072) uzeo da presušavam diskove iz iste ove serije snimljene pre dosta godina i svi su se učitavali u sekundi i svirali savršeno i glatko od početka do kraja. Zbog mogućnosti da je došlo do nekih promena na diskovima za sve ovo vreme (i nemogućnosti probe u mojoj režiji) jedino mogu da na nekoliko dana dam neku radnu garanciju (uspešan probni snimak), ili da probamo da snimimo neki disk zajedno. Dogovorićemo se već kako. Diskovi su fabrički zapakovani celofanom u paketiće od po 5 komada. Čuvani su u kućnim uslovima u mraku ormana, stanje paketića je kao novo, kao da su juče izašli iz fabrike. U originalu su paketići bili u kartonskim kutijama, ali njih sam odavno iskoristio u druge svrhe. Prodaju se isključivo svi zajedno. Što se cene tiče nemam pojma, odavno ne viđam kvalitetne diskove po radnjama pa nisam u toku, neka cena po disku bude recimo 60 din, znači 125 diskova za 7.500 din.
-
-
807 PP triodni amp za koji sam sebi dao tri godine za realizaciju - proslo pola tog vremena. Godinu dana sam skupljao neku zamisljenu cifru za izlazne trafoe - kad sam skupio neku odgovarajucu cifru pozvao sam gospodina Tibora Shindrica radi razgovora i izrade izlaznih trafoa. Poslao sam sto sam vise podataka mogao i evo danas su stigli izlazni trafoi : 10K primar, 8 + 4 Ohma sekundari 30W na EI120/53 jezgru, Wassner lim 0,35mm, poprecni presek jezgra 21,5cm2 UL izvod 37,5% kao dodatna mogucnost Masa je negde 5Kg po komadu, paket od 10,7 Kg sam jedva uzneo na moj sprat bez lifta. Ostaje nabavka mreznih trafoa, GZ34 Sovtek ispravljacica, nekih delova i dve shasije. Predvidjene topologije su Williamson ( sa verovatno manje od 20 dB povratne veze ), Mullard 5-20 i Western Electric 124 ( trafoi nisu u povratnoj petlji ). Za Willimason sam dobio gerbere za proverenu pcb autora iz USA. Kad pocnem izradu otvoricu temu, planiram prvo jedan kanal na dasci sa merenjima.
- Pre nedelju dana
-
-
-
PSYTrance , HoUsE, TEChNO, eLeCtRo, AmBienT :)
BANAT je odgovorio/la BANAT's temus u Muzika , Film i Fotografija
Supreme Socialist
-
Trenutno na sajtu 4 članova, 0 Skrivenih, 33 Gosta (Pogledaj celu listu)
-
Forumska statistika
9.1k
Ukupan broj tema446.9k
Ukupan broj objava -
Statistika članovȃ
-
Donacije - Donations
-
Poslednji statusi
-
Hi Zen Mod,· 1 komentar
Many thanks for uploading the ZIP archive with all the photos and plans — that was incredibly helpful!
I finally managed to access everything properly.
You’ve built a really great community here — congratulations and thank you again for your work!
Best regards from France,
Serge
PS : There's an error in my email address; here's the correct one: [email protected]
Please correct it in my account.
-
bez Žene , , javljam se , nhf , dina pes , slučajno , nick name , pojasnim ak treba , nis provokartor , pamtim nebitne stvari , a postajem senilec nhf . do sad smo si bili dobri· 4 komentara
-
Dobar dan,· 0 komentara
molim vas za kontakt gospodina Salaia. Prijatelju treba servis MC glave.
Pozdrav, Braca
-
Postovanje i srecni praznici,· 1 komentar
Koristim ovo vreme bez porodicnih obaveza, da Vam postavim pitanje i znam da imate odgovor.
Imam rft l 3702 u kutiji sa cetri njihova visokotonca.
Zbog prostora moram OB,
na ovom snimku vidim da OB radi perfektno sa jednim njihovim visokim.
https://www.youtube.com/watch?v=A1RzHyX1liE
Da li kod OB SPL ovog basa nije vise 99db sa prednje strane i da li bih onda mogao da koristim Philips AD 7063 kao drugi zvucnik.
Odgovor nije hitan,
Pozdrav,
Zvonko
-
Nije tolko bitno , ali ? onemogučeno mi je čitanje nekih poruka ? ! el , sam negde pogrešil , uključujuči mođane ? moglo bi biti ono "kao - ja sam ostao" ! . Ne ma tu zločestoče ! , ni jala ! i ino , sam osobna odluka . Glavno da smo uspješne osobe (uvjetno rećeno ) naši nasljednici ? Znam da bi prića u živo drugaćije izgledala , no ? sam pričamo , i izmjenjujemo iskustva itd ...· 5 komentara
-
Postovanje· 1 komentar
Da li ima neko sa vasim predpojacalom voljan da dodje do mene na probu, Cerak
u potrazi sam za istim koji bi mi se uklopio ,Imam Acoustic Invader snagasa i Fokus 160 kutije
Dobio sam preporuku na hifi forumu
pozdrav i hvala
Sinisa
-
Zahvaljujem se "CIKA BRKI", uz njegovu pomoc napravih ovo lepo pojacalo, SUPRAPHON na limundu 2000 i delovi 1200, dva parketa i parce lima, i veliko iznenadjenje kako lepo radi sa jbl 92 db.· 1 komentar
Svima pozdrav,
Zvonko
-
Posto ne mogu u temi Donacije,· 1 komentar
dao sam dao 30Eur za naš site, jer se ne vidi sa PayPal naloga
Pozdrav Miša
-
Pops N Cracks· 2 komentara
WWW.FACEBOOK.COM Pops N Cracks ist bei Facebook. Tritt Facebook bei, um dich mit Pops N Cracks und anderen Nutzern, die du kennst, zu...
-
https://www.facebook.com/profile.php?id=61552051791679· 1 komentar
Pops N Cracks
WWW.FACEBOOK.COM Pops N Cracks ist bei Facebook. Tritt Facebook bei, um dich mit Pops N Cracks und anderen Nutzern, die du kennst, zu vernetzen. Facebook gibt Menschen die Möglichkeit, Inhalte zu teilen und die Welt...
-
Dobar dan, moje postovanje,· 6 komentara
Da li znate ko ima na prodaju Nixie in-13 cevi?
Unapred hvala.
Pozdrav!
-
Pzd. Ja cu da pokusam da probam da rezem navoje u Al sa ovim. Normalno za cnc ali ja cu to da stavim na garaznu busalicu 700W ona stolna. Sa rucnu kao dewalt i baterija 4 A strah me da ne sjebem navoj u toku vracanje za to cu da probam nesto drugo.· 0 komentara
-
Imam izrezane elemente za nekakav Skyline difuser od stiropora. Ima li netko savjet s čime da ih polijepim? Ljepilo za drvo?· 2 komentara
Kad ukucam "Ljepilo za stiropor" dobijam samo rezultate vezane za građevinske radove.
-
Postovani,· 0 komentara
Zamolio bih za jedan info ako je moguce, samo da mi priblizno odredite zvucne domete jednog Apex predprojacala, model je bt40, na kp sajtu se prodaje vec neko vreme pa me interesuje u kojem zvucnom rangu je, neko poredjenje sa nekim poznatijim preampom, cisto informativnog karaktera...hvala unapred !!!!!
Srdjan
-
Nezgodan je bas jer je velika površina isijavanja.Ako napraviš,znaćeš valja li.· 1 komentar
-
; hm , evo nisam neuk , al nije me sramota pitati ! . ! smjestlio me u cc 10 m 2 , sam zvučnici , jel ? lowter , širokopojasni il ???· 4 komentara
-
Poštovani,· 2 komentara
da li imate još na prodaju štampanu ploču BatoMM sa svim pripadajucim elementima?
Sa poštovanjem,
Đula.
-
Da ne otvaram temu jer vjerojatno nisam kupac, a napraviti očito ne znam.· 1 komentar
Ali sam ljubopitljiv. Kakav je Hiraga Phono pre za MM sa ukupno 4 ECC83 lampe? Iz L'Audiophile magazine 1981. godine.
-
Postovani,· 0 komentara
mislim da sam negde na forumu naleteo da zelite da pravite Apex F40.
Ako sam dobro "naleteo" interesuje me kako stojite sa time.
Mislim da uskoro pocnem da pravim ovo pojacalo ali mi fale plocice.
Pozdrav Misa
-
Kovjanic » Mirko Lazic - M L acoustic
ima li neki link koji moze da se otvori i koji je aktivan ?· 1 komentar
koja je precizna adresa ML-a ?
-
Kolega pozdrav .Htedoh da te zamolim za pomoc ,naime radi se o zvucnicima cabasse sloope m4 koje si imao. Nude mi se pa htedoh da te pitam jel valjaju sta i koloko vrede da se plate. Meni traze oko 400e , da nije to malo puno za njih. Zanima me i koji je fazon zvuka , ima li basa dovoljno i da nisu nesto ostre - naporne za slusanje,to mi onda ne bi odgovaralo.Imam malo Zen pojacalo 2x10 wati u cistoj A klasi , trebalo biu da se matchuje dobro sa tim. Sta ti mislis , jel vredno to kupovine. Hvala ti unapred na odgovoru. Evo ti da imas i tel.....pozz· 0 komentara
063224113
-
-
Popularni članovi