Jump to content

Sve aktivnosti

Ovaj tok se automatski ažurira

  1. Poslednjih sat vremena
  2. apex

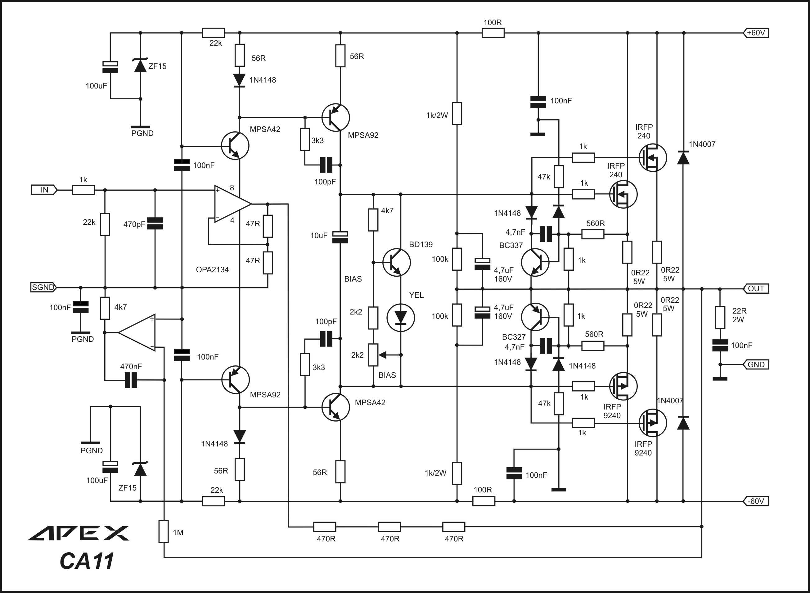
    APEX AX-11

    CA11
  3. Danas
  4. Tekst je pisan kao neka mešavina tehničkog izlaganja i marketinškog pamfleta, sa onim klasičnim mi smo na pragu revolucije. U audio domenu, čak i pri najvišim frekvencijama {20 kHz}, period je 50 µs, pet redova veličine veći osim ako ne pričamo o faznim greškama u digitalnim interfejsima. Pedagoški efekt postoji. Čovek može da nauči nešto ako ume da razdvoji šum od signala, da se tako izrazim. Tekst tera čitaoca da se zapita zašto nešto jeste ili nije tačno.
  5. Tekst je poprilično kao politički govor, ima dosta ispravnih slova, reči, pa čak i nekih grupa reči uvezanih u deo rečenice. Samo su nei zaključci onako bombastični, planetrnog doprinosa, zarad mira u svemiru. Čak je i onaj mučeni Juni doprineo svojom nanosekundnom izjavom u duhu svoje specijalizacije, kako inovaciju plasirati među raju i to običnu. Ali smatram da je test dobar, i to pedagoški, jer da bi se izvukle korisne postavke iz teksta, neophodno je razviti ozbiljno znanje o tematici
  6. Dogovorićemo se. Idem van Beograda od nedelje na 10 dana pa čim se vratim. Ja sam prešao na ove minijature od uređaja. Razlika u veličini nije kvalitativna nego se sve svodi na pitanje ukusa. I veliki i mali su hajend
  7. @Mikorist toliko smo se dopisivali i videli no na žalost samo po potrebi. Bilo bi mi jako drago Miko da svakako dođeš do mene da se družimo, naravno uz muziku. Bar smo nas dvojica, za današnje poimanje blizine, blizu (na NBG).
  8. Moj savet. Napravi Whammy i bilo koji DAC koji smo pravili ovde na forumu. Može ova tema odma da ide u lock posle toga..... Ako hoćeš doneću kod tebe sve ove spravice da čuješ
  9. Gledaj gde meni stoji na slušalicama. Pogledaj koliko još ima do 3 sata. Može se odvrnuti i toliko. Nema klipinga ali ostaćeš bez bubnih opni. Samleće ti broj decibela bubne opne. Nema šuma ni ovde a ni na 3 sata a ni "do daske". Šum zavisi od DAC kako je urađen i povezan na PC. Onda na PC kakvo je napajanje.
  10. Vix

    Preamp za "FW F5" klon

    Evo kako ja to razumem: Ako znas da ces voziti po gradu gde ne smes brze od 50, onda ti je sasvim dovoljan auto koji ide max 50 Gain, ako ti ne treba, najbolje da ga nema. Evo recimo za neko kucno slusanje muzike meni ponekad dovoljan follower (no gain) direktno na Dac. Mozda moze da izgura koji watt, ali cist. Ili jos bolja analogija: ides u prodavnicu i kupis hrane samo toliko koliko ces pojesti, ali kvalitetne. Ili mozes kupiti gomilu manje kvalitetne hrane, ali ipak neces sve to pojesti, nego baciti visak. Gre'ota. Kako ono bese: No gain, no pain?
  11. Sa ovom tvrdnjom su pucali sami sebi u noge. Posle ovoga više nije bitno šta piše u ovom (baronisanom) tekstu Ali obočian korisnik može čuti ~1.9 ns. Odakle je on ? Sa Melmaka ? Da se ne zove ALF ?
  12. Juče
  13. Dole u tekstu dali su nešto objašnjenja o svemu i malo potkrepili tvrdnje sa početka teksta - ajde kao ok Al ne bih dalje o ovoj temi.. što bi rekao Valeri Legasov u seriji Chernobyl: We are on dangerous grounds here
  14. nisu bitni "mali koraci" bitno je da je gain structure takav da se sto maje smanjuje (atenuatorom) signal u uslovima maksimalne koristene glasnoce (SPL) analogija sa voznjom automobila - normalno je menjati brzine na obrtajima najpovoljnijeg obrtnog momenta, kao i voziti autoputem na istim tim obrtajima naravno da se nekad vozi i regionalnim putem i naravno da se nekad i pretice na autoputu
  15. Pretpostavljam da ste ovim mislili da u tom momentu dinamika moze da bude jako mala pa da mozete "dati gas"-odvrnuti i preko 3 sata, i da ne uđe pojacavač u kliping. Zato kažete da treba slušati i "davati gas"- odvrtati pot dok se ne pojave prvi znaci distorzija. Da li bi se onda moglo reci da GS se "podešava" (optimalni) na 3 sata da bi faktički lako koristili pot za podešavanje glasnosti (i da lako u malim koracima utišavamo a i da takođe i lako u malim koracima pojačavamo glasnoću.
  16. moze da bude, a uopste ne mora da znaci ene, kao sa automobilom ..... gas, menjac i sav potencijal motornog vozila se usaglasava sa uslovima na putu sto ce reci, ako nema koje zrno izmedju usiju operatera, dzaba sva kalkulacija i svi moguci safety protokoli ovoga sveta
  17. Evo kako treba koristiti AI
  18. Ja se odsad izjasnjavam kao delfin...thanks for all the fish!😁
  19. Pa i nije mnogo daleko
  20. Ja mislio da citam temu o vanzemaljcima...
  21. Ja i moj nepostojeći kablovski delfin pokušavamo da čujemo 1,9 ns razlike
  22. Salim se ja...ali pozdravljam svaki pokusaj da se razmislja drugacije i uspostavi korelacija izmedju kvalitetnog zvuka i merenja. Koliko god se Zen zezao da sva njegova pojacala isto sviraju, i i taj zvuk ima ogledalo u merenjima i spektru distorzije, parni harmonici itd, nijanse itekako postoje, i ta merenja su verovatno samo gruba refleksija onoga sto moze da se cuje iz tog ampa. Steta samo sto i ja nisam bio u prilici da ih slusam i uporedjujem...but,some day...🙄
  23. Plaćenu, mada to i nije od nekog presudnog interesa da li je plaćena ili ne jer LLC MODELI plaćenih verzija nisu Bog zna kako bolji; više su “udobniji” zbog nekih mogucnosti drugog tipa.
  24. @Zen Mod, znam da baš imate obaveza te nisam hteo Vas da zamaram. O tome sam pre nekoliko godina (na brzinu) već malo pričao sa Vama. Suština je kako i sada pomenuste da se sa signalom ne treba “nepotrebno igrati” (svaka nepotrebna manipulacija signalom na neki način predstavlja gubitak kvaliteta) i da za dobro pogođen GS pot treba da bude odvrnut na 3 sata. Ako se dobro sećam to je ustvari pun pot (rezerva za dinamiku materijala koji se sluša) i kada bi pot bio više odvrnut od 3 sata, sa dinamikom, mogao bi pojačavač biti “oteran” u kliping. Neću postavljati sada nikakvo pitanje dok ne pročitam materijal sa linka koji ste mi dali.
  25. Koji "mi" !? 😋
  1. Učitaj još sadržaja
  • Donacije - Donations

    Zahvaljujući Vašim donacijama postoji ovaj sajt. Hvala Vam ♥


    Donacije za diyAudio.rs

  • Poslednji statusi

    • black coffe  »  zerowaf

      bez Žene , , javljam se , nhf , dina pes , slučajno , nick name , pojasnim ak treba  , nis provokartor , pamtim nebitne stvari , a postajem senilec   nhf . do sad smo si bili dobri  
      · 4 komentara
    • vbraca  »  Eci

      Dobar dan,
      molim vas za kontakt gospodina Salaia. Prijatelju treba servis MC glave.
      Pozdrav, Braca
      · 0 komentara
    • koki  »  Zen Mod

      Postovanje i srecni praznici,
       
      Koristim ovo vreme bez porodicnih obaveza, da Vam postavim pitanje i znam da imate odgovor.
      Imam rft l 3702 u kutiji sa cetri njihova visokotonca.
      Zbog prostora moram OB,
      na ovom snimku vidim da OB radi perfektno sa jednim njihovim visokim.
      https://www.youtube.com/watch?v=A1RzHyX1liE
      Da li kod OB SPL ovog basa nije vise 99db sa prednje strane i da li bih onda mogao da koristim Philips AD 7063 kao drugi zvucnik.
      Odgovor nije hitan,
      Pozdrav,
      Zvonko
      · 1 komentar
    • black coffe  »  zerowaf

      Nije tolko bitno , ali ? onemogučeno mi je čitanje nekih poruka ? ! el , sam negde pogrešil , uključujuči mođane ? moglo bi biti ono "kao - ja sam ostao" ! . Ne ma tu zločestoče ! , ni jala ! i ino , sam osobna odluka . Glavno da smo uspješne osobe (uvjetno rećeno ) naši nasljednici ? Znam da bi prića u živo drugaćije izgledala , no ? sam pričamo , i izmjenjujemo iskustva itd  ... 
      · 5 komentara
    • sinisav  »  Zen Mod

      Postovanje
      Da li ima neko sa vasim predpojacalom voljan da dodje do mene na probu, Cerak
      u potrazi sam za istim koji bi mi se uklopio ,Imam Acoustic Invader snagasa i Fokus 160 kutije
      Dobio sam preporuku na hifi forumu 
      pozdrav i hvala
      Sinisa
      · 1 komentar
    • koki

      Zahvaljujem se "CIKA BRKI", uz njegovu pomoc napravih ovo lepo pojacalo, SUPRAPHON na limundu 2000 i delovi 1200, dva parketa i parce lima, i veliko iznenadjenje kako lepo radi sa jbl 92 db.
      Svima pozdrav,
      Zvonko



      · 1 komentar
    • misa  »  Zen Mod

      Posto ne mogu u temi Donacije,
      dao sam dao 30Eur za naš site, jer se ne vidi sa PayPal naloga
      Pozdrav Miša
      · 1 komentar
    • ninja

      Pops N Cracks
      WWW.FACEBOOK.COM Pops N Cracks ist bei Facebook. Tritt Facebook bei, um dich mit Pops N Cracks und anderen Nutzern, die du kennst, zu...  
      · 2 komentara
    • Zen Mod

      https://www.facebook.com/profile.php?id=61552051791679
       
      Pops N Cracks
      WWW.FACEBOOK.COM Pops N Cracks ist bei Facebook. Tritt Facebook bei, um dich mit Pops N Cracks und anderen Nutzern, die du kennst, zu vernetzen. Facebook gibt Menschen die Möglichkeit, Inhalte zu teilen und die Welt...  
      · 1 komentar
    • ninja

      Duga objava za dan posle
      WWW.JERGOVIC.COM  
      · 0 komentara
    • Kazance  »  NIXIE

      Dobar dan, moje postovanje,
      Da li znate ko ima na prodaju Nixie in-13 cevi?
      Unapred hvala.
      Pozdrav!
       
      · 6 komentara
    • Blair  »  zeljkor

      Wanted los gatos 12AU7
       
      · 0 komentara
    • bnb  »  чика-Брка

      Banetov tel. broj koji ja imam je;  061/6939-733.Srećno.
      · 0 komentara
    • Stale  »  Zen Mod

      Pzd. Ja cu da pokusam da probam da rezem navoje u Al sa ovim. Normalno za cnc ali ja cu to da stavim na garaznu busalicu 700W ona stolna. Sa rucnu kao dewalt i baterija 4 A strah me da ne sjebem navoj u toku vracanje za to cu da probam nesto drugo.

      · 0 komentara
    • zerowaf

      Imam izrezane elemente za nekakav Skyline difuser od stiropora. Ima li netko savjet s čime da ih polijepim? Ljepilo za drvo?
      Kad ukucam "Ljepilo za stiropor" dobijam samo rezultate vezane za građevinske radove.
       
      · 2 komentara
    • parabolis  »  apexaudio

      Postovani,
      Zamolio bih za jedan info ako je moguce, samo da mi priblizno odredite zvucne domete jednog Apex predprojacala, model je bt40, na kp sajtu se prodaje vec neko vreme pa me interesuje u kojem zvucnom rangu je, neko poredjenje sa nekim poznatijim preampom, cisto informativnog karaktera...hvala unapred !!!!!
       
      Srdjan
      · 0 komentara
    • bnb  »  2a3

      Nezgodan je bas jer je velika površina isijavanja.Ako napraviš,znaćeš valja li.

      · 1 komentar
    • bnb  »  2a3

      Zdravo 2a3,
      Potrebni su mi ovi podaci na slici.
      Pozdrav

      · 5 komentara
    • black coffe

      ; hm , evo nisam neuk , al nije me sramota pitati ! . !  smjestlio me u cc 10 m 2  , sam zvučnici , jel ? lowter , širokopojasni il  ??? 
      · 4 komentara
    • bordjnda  »  Shoba

      Poštovani,
      da li imate još na prodaju štampanu ploču BatoMM sa svim pripadajucim elementima?
      Sa poštovanjem,
      Đula.
      · 2 komentara
    • Bose  »  Zen Mod

      CAO zEN IZVINI MENI TREBA OD SUBWOFERA CONTROL 5
       
      · 1 komentar
    • zerowaf

      Da ne otvaram temu jer vjerojatno nisam kupac, a napraviti očito ne znam.
      Ali sam ljubopitljiv.  Kakav je Hiraga Phono pre za MM sa ukupno 4 ECC83 lampe? Iz L'Audiophile magazine 1981. godine.
      · 1 komentar
    • misa  »  BokiTokiVoki

      Postovani,
      mislim da sam negde na forumu naleteo da zelite da pravite Apex F40.
      Ako sam dobro "naleteo" interesuje me kako stojite sa time.
      Mislim da uskoro pocnem da pravim ovo pojacalo ali mi fale plocice.
       
      Pozdrav Misa
      · 0 komentara
    • Kovjanic  »  Mirko Lazic - M L acoustic

      ima li neki link koji moze da se otvori i koji je aktivan ?
      koja je precizna adresa ML-a ?
      · 1 komentar
    • vladd  »  dvv

      Srecan rodjendan!
      · 0 komentara
    • ninja

      Sretan 1 Maj! 
      · 0 komentara
    • shuca77  »  SHAVIJA

      Kolega pozdrav .Htedoh da te zamolim za  pomoc ,naime radi se o zvucnicima cabasse sloope m4 koje si imao. Nude mi se pa htedoh da te pitam jel valjaju sta i koloko vrede da se plate. Meni traze oko 400e , da nije to malo puno za njih. Zanima me i koji je fazon zvuka , ima li basa dovoljno i da nisu nesto ostre - naporne za slusanje,to mi onda ne bi odgovaralo.Imam malo Zen pojacalo 2x10 wati u cistoj A klasi , trebalo biu da se matchuje dobro sa tim. Sta ti mislis , jel vredno to kupovine. Hvala ti unapred na odgovoru. Evo ti da imas i tel.....pozz
      063224113
      · 0 komentara
    • sp300b  »  gaggia

      Srećan rodjendan. Živ bio, veliki pora'so.
      · 0 komentara
  • Popularni članovi

×
×
  • Kreiraj novo...