Najbolji članovi
Popularan sadržaj
Showing content with the highest reputation on 06/11/21 u svim oblastima
- 
	nema potrebe samo sebe stavim na zabranu citanja (foruma) 5 dana i eto lepote5 poena
- 
	3 poena
- 
	  ZM, random zanimacijeD i g i t a L i 2 drugih je reagovao/la na Zen Mod za temu 3 poena
- 
	2 poena
- 
	  ZM, random zanimacije2a3 i jedan drugi je reagovao/la na shonne za temu Sve bi ja to na 5 dana zabrana pisanja 😂😛💪2 poena
- 
	  ZM, random zanimacije2a3 i jedan drugi je reagovao/la na Zen Mod za temu lako vam je mene zaebavati2 poena
- 
	  Čime se zanimam... (ovih dana )BANAT i jedan drugi je reagovao/la na grone za temu Hteo sam da ga cujem Jbl 2269H, povezao sam ga aktivno na 2500W. Ova kutija ionako probna za 15" trebao sam povecati otvor, bice origigi kutija uskoro, https://jblpro.com/en/products/sub18 Ovakav bass nisam ikad cuo bilo kako i na bilo sta, oseca se i na vilicu mnogo mnogo!! mocan i previse SPL-a, nema mumlanja kao sub i ide nisko Killer driver imam svasta ali ovo je "this is the end" Dosta kosta do kuce ali izgleda da cu naruciti jos jedan i stavicu ispod M2 i rezicu na 80Hz.2 poena
- 
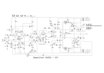
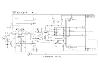
	prepis sa Big DiyA no way da kucam ponovo, zato copy-paste /////////////////////////////////////////////////////////////////////////////////// Few years ago, we had enormous fun in funny named thread : F4 Beast Builders : https://www.diyaudio.com/forums/pass-labs/300233-f4-beast-builders.html Well, you can call it Group of Hysteric Housewives Brainstorming Result of that was that I have myriad of back of napkin sketches, and after these I started simulating ...... and simulating ... and simulating After myriad of these ( out of sheer enthusiasm I even made pcb files for some of iterations), I finally had made nice smallish channel pcbs, containing OS having different-ish approach to biasing than Papa's original XA25 is having, while FE was in principle same as Papa's, but with few beautiful quirks, of which I was damn proud (yup, Mighty ZM reinventing Da Wheel, time and time again) And they were sitting, populated, on my shelf ........ always being pushing to bottom of list; I knew they would work, but somehow I wasn't content with overall picture Now, recently - besides revising biasing mechanismus for SissySIT ( resulting in R.3) and few other amps, I also made FE called Plethora of Pinjatas ( or just Plethora, short) and found interesting to combine it in sitting Babelfish XA25 project Plethora Fe having both SE and Bal inputs as matter of choice, called to adding another "2" in name , so result is Babelfish XA252 Plan is also to have iteration of DEF OS ( real SIT, no emulation in form of Schaded Mosfet), thus addition of "SIT" in name, so Babelfish XA252 / SIT Find enclosed cumulative schematic, and will do edits of this post, if and when needed OK1-OK2-TH1 .......... 10A limiting circuit, Savior of Our Souls, blatantly stolen from Pa1 poen
- 
	E oni su tek sterilni i neinventivni. Cede suvu drenovinu iz Bron/Broen i Forbrydelsen. Izuzetak ( ako je to uopste skandinavija ) je Island - Trapped. I to samo 1. sezona. 2. sezona vec omirisala tu skandinavsku (jeftinu) "pricicu" . . .1 poen
- 
	  ZM, random zanimacijeBeli_Ninja je reagovao/la na stefaca za temu Kod mene u onaj vlaski kraj lavovi i labudovi i dalje vode glavnu rec.1 poen
- 
	Ama jok.,... Ideja ima . Genijalnih pisaca, scenarista, rezisera - kinematografa..... Problem je sto su Holivud preuzeli Japiji koji nemaju veze sa filmom. Zadnji slucaj kupovine bio je WB kupio HBO Max - odnosno AT&T...... Pa se pobunilo pola rezisera ..... Posledica je da su prodali WB - Discovery--ju....Jer niko nije hteo da radi sa AT&T. Slicne stvari se desavaju u Dizniju i svim ostalim kucama.... Pa pogledaj sta se desilo samo sa Zack Snyder's Justice League... pola filma mu izbacili (bez njegovog pristanka) VAN....Osakatili skroz.......(ovo je samo jedan primer). I to je ideja nekog morona (sa odredjenom agendom politickom ) koji nema veze sa filmom uopste... Sve dok ne puste one koji imaju ideje - a to su reziseri - da rade sta zele - od kvaliteta nema NISTA. Bez kultnih filmova (Recimo Kubrick-a) nema kulture.....Najmanje je bitno koliko su prodali ulaznica. Gledacemo jeftine boze i limunade sve dok se po podobnosti biraju ljudi koji prave film a ne po kvalitetu1 poen
- 
	1 poen
- 
	1 poen
- 
	Uzme onaj baš najmanji da sve ostalo deluje što veće.1 poen
- 
	Ne znam gde pronalazi takve male upaljace, a da izgledaju ko pravi. Ja kad stavim upaljac pored trafoa, izgleda 3x veci1 poen
- 
	@grone Ebiga baš, kako sad dobar bass kad kažu da neodijum nije dobar nikako sve to ne valja, ovi iz JBL-a ne znaju ništa Šala naravno, druže po meni to bi realno bio the-end što se bass drajvera tiče. Nisam slušao - ali gledajući konstrukciju drajvera ne bih umeo da objasnim kakvu još inovaciju u drajver dodati, da bi bio bolji. Dual coil sa genijalno rešenim magnetnim kolom sa neodijumskim magnetima, dođe mu diferencijal / push-pull motor, i to može samo da pevaaaa........ i da kuća ti peva i unučići da pevu i da igru i da se vesele i da igraš po avlije.....1 poen
- 
	1 poen
- 
	ma ovo super ladno pojacalo vako kako je , smali mosfeti, 1A1 Iq - dissipacija 66W/ch a klip na 40W/8R sutra pucks na mesto1 poen
- 
	Zima možda jeste daleko, ali kalorifere treba spremiti na vreme1 poen
- 
	jeste, drugi rade, a Zen samo slika upaljače1 poen
- 
	1 poen
- 
	1 poen
- 
	Da. Benedeti kao fenomen. Vanserijski pijanista. Jedan od onih "Marsovaca". Ima na YT i njegovo izvođenje Galupijeve sonate. Maestralno. Vrlo je moguće da je i tadašnji Arturov repertorar doveo Serdara do ove sonate ? IMO - Bermana "vidim" i shvatam kao posebnog izvođača Lista i Rahmanjinova. Imam vinil DG sa izvođenjem 6 Muzičkih momenata od Rahmanjinova ( B strana ). Remek delo. Preporuka za kolekciju. Na YT kola ovo njegovo Live izvođenje "muzičkih trenutaka" iz Lugana. Fantastično.1 poen
- 
	Sent from my SM-N975F using Tapatalk1 poen
- 
	Alex ovo bi trebao stvarno slusati! 2269H se koristi samo na nekoliko Jbl top modela, Osim sto ima 4"dual voice coil ima veoma velik Xmax ali je utegnut, precizan ne mogu ti opisat, Prosto receno ubija!!! Extra radi i sa malom snagom cuje se pravi bass ne ono cistokrvni PA bass, mislim bas kako bi trebao... E sad prica za neodiumce i alnico moze se nastaviti ali ne vredi.0 poena
- 
	0 poena
- 
Trenutno na sajtu 2 članova, 1 Skrivenih, 19 Gosta (Pogledaj celu listu)
- 
Forumska statistika9.1k
 Ukupan broj tema446.8k
 Ukupan broj objava
- 
Statistika članovȃ
 
		 
	 
	 
	 
                     
                     
                     
                     
                     
                     
                     
                     
                     
                     
                     
                     
                     
                     
                     
                     
                     
                     
                     
                     
                     
                     
                     
                     
	 
                     
                     
                     
                     
                     
                     
                     
                     
                     
                     
                     
                     
                     
                     
                     
                     
                     
                     
                     
                     
                     
                     
                     
                     
	 
	 
	 
	 
	 
                     
	 
	 
	 
                     
                     
                     
                     
                    