Jump to content

Najbolji članovi

Popularan sadržaj

Showing content with the highest reputation on 12/08/21 u svim oblastima

  1. Početkom ove godine sam slučajno nabasao na temu o novom ulaznom stepenu za Threshold Stasis na Diyaudio.com. U istraživanju teme vidim da se angažovao Zen tako što je nacrtao pločice za Passovu novu šemu i dve verzije izlaznog stepena sa 6 i 8 parova izlaznih BJT. Obzirom da se godinama nakupilo raznog materijala reših da se stisnem još malo i napravim ovo pojačalo. Imao sam hladnjake, elektrolite i ploče 10mm aluminijuma. Imam i JFETs za ulaz, očekujem KSA1381/KSC3503 do kraja godine. Naručio sam PCBs u jednoj firmi u Denitron Niš. Debljina bakra 75um, dvostrano sa prespojnim bakarnim nitnama na mestima gde sam hteo tj. gde mislim da ću moći samo sa jedne strane da priđem lemilicom. Naručih trafoe kod Trafomatica, dva komada 300VA sa dva odvojena sekundara 28Vac/opt i svim oklopima. Napravio sam šasiju (rešetku) po uzoru na Modushop samo što sam izbegao savijanje i primenio meni bliskiju metodu privarivanje Šasija je od INOX AISI304 2mm, otvori fi 4mm u matrici 10mm. Takođe, napravih i držače za elkose. Mogao sam i šelne eli ne znam kako bi se uklopile u matricu jer ću elkose da povežem šinama od gore pomenutog INOXa. U subotu obrađujem hladnjake koji su dimenzija 170 x 220mm i ako stignem i ploče za povezivanje istih. Spajanje ide uz pomoć ujupno 48 imbus vijaka m6x12. Zen mi reče da termička sprega hladnjaka nije kritična alo pošto su već izbuškani ne mogu da se zaluđujem sa zaobilaženjem svih tih otvora, a i lakše mi je da učvrstim kutiju.
    2 poena
  2. Da se vratimo na temu...
    2 poena
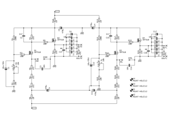
  3. Zen Mod

    TUMOS mosfet follower

    eo, ovo ce radi naravski - sto Banat rece - Hitachi mosovi voledu koji mirkofaradak blizu drainova, to se podrazumeva
    2 poena
  4. Zen Mod

    TUMOS mosfet follower

    eo primer jednostavne funkcionalnosti, mada i to moze bolje po pitanju biasinga (prvenstveno filtracije sa railova) naravno i ovde su source otpori cisti visak ......... a vala je i vrednost biasing struja/impedanse mreze za par redova velicina promasene nema potrebe za vise od 1mA kroz biasing network
    2 poena
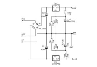
  5. D1 D1 GERBERS.zip
    2 poena
  6. Za poklopce planiram čelični HV lim 1.5mm, kao i za zadnju stranicu, plastifikacija u mat crno sa strukturom. Prednja ploča aluminijum 10mm. Videću kako ću za elksažu.
    2 poena
  7. shonne

    Serije koje gledate

    @D i g i t a L The Boys uskoro treca sezona. Al pratis i dalje? Kripke je odradio jos jednu dobru seriju, Supernatural,...jeste da ima 15 sezona, ali sam UZIVAO. Preporuka
    1 poen
  8. @bnb Teško da ćeš u temi da izvučeš info za najpogodnije izlazne. Ja ću nabavljati NJW0302 + NJW0281. Sad si me zabrinuo za te BCejce, ali dobro videćemo. Možda na kraju nabavim i ZTX. Pravim sa 6 izlaznih parova i napajanjem +/-35V. Mirna struja, jebem li ga koliko će da bude da se postigne tih 50 stepeni. A max snaga treba da bude 50W / 8R što je meni ihaaaj. Kad bude trebalo više ima materijala i za to @krca44 Ne želim da se zezam sa našim haračlijama na carini. Ima ko to radi i ćao. Iz tog razloga sam i PCBs radio u Srbiji, a i da bih našoj radnoj snazi ostavio neki dinar Bilo je malo skupo, ali mi je zadovoljstvo neprocenjivo. A i više gotivim ovaj row izgled vitroplasta
    1 poen
  9. Nije off, nabavka delova, i iskustva u tome je sastavni deo samograditeljstva. Meni bar znaci da procitam.
    1 poen
  10. No, vratimo se temi... [emoji16]
    1 poen
  11. Ukrade mi projekat Hvala Mr.Pass-u i tebi Zene.
    1 poen
  12. Zen Mod

    TUMOS mosfet follower

    sto se tice konstrukcije, evidentno imamo drugacije preference, sto svakako nije upitno - svak ima svoj okus sto se tice switchera koji si linkovao ......... ne znam , previse cenim svoje zvucnjake da bih rizikovao sa jeftinocom bilo gde nema te zvucnicke zastite koja ce da spreci svakog Gremlina
    1 poen
  13. Zen Mod

    TUMOS mosfet follower

    znam, no nije u pitanju amp za sluske, tako da ........ elem, hvala Bogu na internetu, mnogo lako i mnogo brzo se dolazi do informacija ( samo jedan od izvora - za koje se secam da je bilo i sporo i sa trudom - sedi u Matici Srpskoj i prelistavaj sve sto ti se cini interesantnim, pa kopiraj i kopiraj ..... ima par godina kako sam bacio bukvalno 30-ak kila papira ...... ) elem, svaki primer koji se nadje treba da posluzi prvenstveno kao predlozak za napredak - sto ce reci - potruditi se da se analizira kolo i onda razmisliti da li mora bas tako ili moze i drugacije - jednostavnije ili komplikovanije , kako kome volja
    1 poen
  14. BANAT

    TUMOS mosfet follower

    IMHO ti regovi su tu vise radi napajanja DC servo kola TLO72B .
    1 poen
  15. Zen Mod

    TUMOS mosfet follower

    tumos je prekomplikovana djunta, bez razloga je pravio regove za napajanje biasing mehanizma, da ne pominjem i prevelike vrednosti otpora od gates do bias mosfeti u pitanju imaju nulti TempCo na 100mA Iq, nema potrebe za bilo kojom kompenzacijom, i sve sto treba je da se generator bias napona dobro filtrira - dakle vece impedanse prema railovima, rasprezanje prema masi ......... sto ce reci par otpora i par trimpots i par elkova i Bog te vido clipping ce da bude par volti ispod vrednosti rails prekostrujna zastita i ubacivanje source otpora su tek posebna prica; staviti source otpore na te mosfete je svetogrdje, gubi se i od ionako male xconductanse
    1 poen
  16. Zen Mod

    ZM, random zanimacije

    Uncle Doug strikes again
    1 poen
  17. Nesic

    Nesiceve zanimacije...

    Idemo dalje, budimo se edit:
    1 poen
  18. 1 poen
  • Trenutno na sajtu   2 članova, 0 Skrivenih, 68 Gosta (Pogledaj celu listu)

  • Forumska statistika

    9.1k
    Ukupan broj tema
    449.6k
    Ukupan broj objava
  • Statistika članovȃ

    2998
    Svi članovi
    5071
    Najviše na sajtu
    markot
    Najnoviji član
    markot
    se pridružio
×
×
  • Kreiraj novo...