Jump to content

Najbolji članovi

Popularan sadržaj

Showing content with the highest reputation on 11/10/21 u svim oblastima

  1. David Crosby "David "Crosby" (1st solo),50th Anniversary izdanje...iako imam dosta dobro ocuvani 1st press/USA izdanje istog,ali tu i tamo se vec cuju pucketanja,pa nek se nadje...sto kaze "lovingly" remasterovan...narucim usput i Howlin' Wolf-a/MOV...to je RTB izdao,da prostis,kad nema druge,dobro i to,al ako se nadje neki kulturniji primerak,treba uzeti
    3 poena
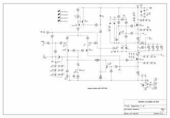
  2. ne vidis dobro, ako mislis na link od pre par postova gore source pin na simbolu mosfeta je uvek blize gate nacrtanu diodu (D-S) uvek ignorisem
    3 poena
  3. Dziberana, sarene diode i veliki gepek, i vici na sav glas da je luksuz Sta ce luksuznom korisniku takav gepek? Da prenosi luksuzne kolicine kupusa?
    2 poena
  4. Doktor

    Serije koje gledate

    Nisam. Pre bih pomenuo Better Call Saul. Odličan komplet serijal. Svaka sezona ima neki svoj pečat. Naravno, i tu se apsolutno slažem sa tobom @Trotter da je sezona 1 donela nešto sasvim novo do tada u tv industriji. Međutim, i 2. i 3. sezona imaju neki svoj šarm, svoje kvalitete , tako da ih ne poredim, gledam svaku zasebno. Gledam. IMO - ono što je dobro : maska, scenografija, fotografija & kamera. Gluma je po običaju kada su naše tv serije i filmovi u pitanju ispod proseka. Napisane linije scenarista značajno doprinose tome. Montaža se odlično "držala" do 6 ep. kada je doživela kolaps. Uliks Fehmiju & Jelena Đokić - očajni, a vodeće uloge. Slažem se za Štimca da je napravio bolju rolu od one npr. u tv seriji " Ubice moga oca ". Koja - prežvakane fore koje idu na prvu loptu. Čovek prosto ne može da se transformiše iz uloge u ulogu, nego uvek igra kao da je nastavak " Mi nismo anđeli ". Nego @Pchelac, kada pomenu Crnu svadbu, gleda li tv seriju Pevačica, pa Kalkanski krugovi, pa Beležnica profesora Miškovića . . . ? A Dug moru ( 1 i trenutno ide sezona 2 ) ? Kao da je neko ovim našim filmskim radnicima zadao temu : Mitovi , legende i narodni običaji stare Srbije, a i šire. Ono, hajde jedna, dve serije sa tom tematikom, ali br'te 4+ tv serijala . . . mnogo je.
    2 poena
  5. nije kupus za svakoga ja takima ne bi ni dao da prevoze kupus
    1 poen
  6. Doktor

    Serije koje gledate

    Jbga, imamo ( sto je dobro ). Medjutim, ne kostaju "kikiriki" kao sto je taj "pavijan" sto ne zna mikrofon namestiti. Msm, zabole ih . . . producente, "perace para", ostale, . . . . zasto je to tako. Mi smo se usrali na svim frontovima i fakultetima po struci. Ne samo po FDU. Realno.
    1 poen
  7. Da, okrenut mosfet. Treba promeniti i u izvornoj shemi, ako dobro vidim. Sada radi. Podešeno sve.
    1 poen
  8. Zen Mod

    Linkovi i Literatura

    a preteraste vise sa tim Pass-om ..........
    1 poen
  9. shonne

    Linkovi i Literatura

    Papa intervju, 2021. https://www.monoandstereo.com/2019/03/exclusive-interview-with-nelson-pass.html?m=1
    1 poen
  10. Trotter

    Serije koje gledate

    Nego, gde bi vi svrstali True Detective? U mom sistemu ocenjivanja ta serija je isto u kategoriji odlična. Doduše, tri sezone koje su "nepovezane" pa možda čuđenje da li je ukupna ocena takva? Kod mene, da, jeste. Prva sezona je 5+, pa iz toga izvučen prosek
    1 poen
  11. A ovo mi je "evergreen"...
    1 poen
  • Trenutno na sajtu   0 članova, 0 Skrivenih, 59 Gosta (Pogledaj celu listu)

    • There are no registered users currently online
  • Forumska statistika

    9.1k
    Ukupan broj tema
    450.9k
    Ukupan broj objava
  • Statistika članovȃ

    3007
    Svi članovi
    5071
    Najviše na sajtu
    Meho
    Najnoviji član
    Meho
    se pridružio
×
×
  • Kreiraj novo...