dlalkovic Napisano Maj 26, 2019 #221 Napisano Maj 26, 2019 Moj laki remont: BANAT, mutayu and Aleks je reagovao/la na ovo 3
Zen Mod Napisano Maj 26, 2019 #222 Napisano Maj 26, 2019 zameni i ono TO92 govance sto pali releje sa nekim darlintonom , BC 517 ako je npn , a verujem da jeste edit: T22 ako treba - poduplaj vrednost otpora sto ide od baze na masu
dlalkovic Napisano Maj 26, 2019 #223 Napisano Maj 26, 2019 Mirnu struju sam podesio na 130 mA. DC ofset je ispod 10 mV sa LM49710 operacionim pojacavacem. Razmisljam da ubacim DC servo da bih izbegao elektrolit u povratnoj sprezi i spustio ofset blizu nuli. ( napisao vbraca ). Izbacio sam konektor za slusalice. Zen Mod, zasto predlazes darlington?
Zen Mod Napisano Maj 26, 2019 #224 Napisano Maj 26, 2019 dobro , mozda i ne treba darlington , ali mora snazniji tranzistor sa malo vecim pojacanjem BC517 se ubio za poziciju - ima struje ima snage ako ne darlington , bar stavi BC337 ili BC640 (pinout!) sto se tice serva , ne treba budaliti - OP vec radi kao servo probaj da izbacis elkove (i ulaz i NFB) , i ako ne dobijes manje od 50-ak mV offset , onda stavi OP sa FET ulazima , sa tim garant imas niske struje gate-ova (a sada baza)
Zen Mod Napisano Maj 26, 2019 #225 Napisano Maj 26, 2019 nadji postena cvrsta podnozja za osigurace , to unutra nije valjalo jos kad je stavljeno u fabrici ....... msm, to ako hoces da ga ne rastavljas uskoro i da lupas glavu zasto malo radi malo ne radi dlalkovic je reagovao/la na ovo 1
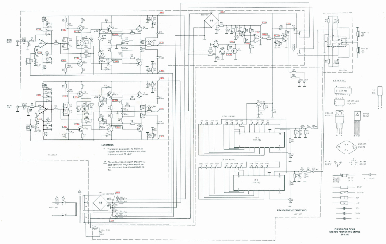
Peca ja Napisano Novembar 8, 2019 #226 Napisano Novembar 8, 2019 Krenuo i ja da uradim nesto slicno (ne tako detaljno) da seredim pojacalo . Znam ne isplati se , zastarelo ali igram se pa mi treba puno saveta . Prvo da dam doprinos temi , seme u punoj rezoluciji : Aleks je reagovao/la na ovo 1
Peca ja Napisano Novembar 8, 2019 #227 Napisano Novembar 8, 2019 Kad se klikne na sliku vodi do pune rezulicije , ko bi da stampa pustam full slike na mail . E sad za pojacalo , iz teme sam saznao da podnozija za osigurace moraju da se menjaju , to sam kupio i stvarno ona stara pocrnela sve . Videh i savet da se izbaci dzek za slusalice i to izbacujem jer mi se desavalo da tu gubim kontakt za zvucnike. Nove releje sam nasao , sva sreca na ploci vec predvidjeno za vise tipova releja (raspored nozica) . stari releji otkazali ili ih menjam preventivno kako gde . Kondenzatori ulazni su skroz mrtvi (pojacalo radilo) toliko su suvi da deci moze da sluzi kao zvecka , ko klikere unutra da ima. Kupio nove ali me stra' vata koliko su sitni Kazu neki da treba zameniti grec ali ne znam koji da kupim pa mi tu treba pomoc , on nosi ovaj : B 80 C5000/3000 ali koji da kupim to da zamenim ? Treba i trimer za mirnu struju zameniti ali opet ima gomila u ponudi pa ne znam koji da kupim ? Za sad toliko , trebace mi savet kako se steluje mirna struja , ali bas detaljno posto nisam ja bas toliko strucan a poslednji put prateci uputsvo sa neta sam sprzio pojacalo , Ali to tak kad dodjem do toga . Sad malo slika :
Peca ja Napisano Novembar 8, 2019 #228 Napisano Novembar 8, 2019 dejanco32, krca44 and djmilicic je reagovao/la na ovo 1 2
mutayu Napisano Novembar 8, 2019 Autor #229 Napisano Novembar 8, 2019 Grec 80V, 5A, ne manje (moze vise) i vodi racuna o rasporedu nozica. Trimer iste vrednosti kao postojeci ali viseobrtni, sa istim rasporedom nozica. I hvala na postavljenim semama!
Peca ja Napisano Novembar 8, 2019 #230 Napisano Novembar 8, 2019 ako ti treba full slika da ti pustim na mail jer je 20mb . el to ovako nesto : https://www.mgelectronic.rs/grec-ispravljači?specs=9163,5702,5655,5909&sos=false&data=true&orderby=20&pagesize=100&viewmode=list&Mid=0 verovatno ovaj simens posto ovaj ei vec imam ?
Gosha Napisano Novembar 8, 2019 #231 Napisano Novembar 8, 2019 1 hour ago, Peca ja said: el to ovako nesto : https://www.mgelectronic.rs/grec-ispravljači?specs=9163,5702,5655,5909&sos=false&data=true&orderby=20&pagesize=100&viewmode=list&Mid=0 verovatno ovaj simens posto ovaj ei vec imam ? Mslim da ti je ovaj bolji: https://www.mgelectronic.rs/1-658 Ili ovaj: https://www.mgelectronic.rs/1-660 Imaju rupu za pricvrscivanje na hladnjak.
Peca ja Napisano Novembar 8, 2019 #232 Napisano Novembar 8, 2019 da u pravu si treba mi rupa za hladnjak a ovo 600V 10A dobro zvuci a zapravo i ne znam koje su vrednosti fabrickog greca valjda 80 do 1000v i 5 do 3 A ?
Gosha Napisano Novembar 8, 2019 #233 Napisano Novembar 8, 2019 17 minutes ago, Peca ja said: da u pravu si treba mi rupa za hladnjak a ovo 600V 10A dobro zvuci a zapravo i ne znam koje su vrednosti fabrickog greca valjda 80 do 1000v i 5 do 3 A ? Kad je grec u pitanju, od viska glava ne boli.
Peca ja Napisano Novembar 9, 2019 #234 Napisano Novembar 9, 2019 Polako napredujem , neke stvari sam izmenjao neke jos trazim , ne znam koji trimer mi treba , kond. 470mf 6,3v ne mogu da nadjem . Releji rade odlicno , upalio sam pojacalo nista nije puklo treba i naci izlaze adekvatni (sad su razliciti ) . Ovi ulazni kond. mi idalje izgledaju malecki i smesni u odnosu na stare (navikao sam na one ogromne) Nego dok cekam resto delove da li bih neko mogao da mi objasni kako se steluje mirna struja ali onako bas prosto da mi objasni . negde na netu naletim na uputstvo "kaze kratko spoji ulaze" ja uradim to i kako sam upalio pojacalo ono svitnulo ko bozicna jelka . znaci treba mi " stavi unimer ovde i ovde i okreci trimer dok ne dobijes to "
John Coltrane Napisano Novembar 9, 2019 #235 Napisano Novembar 9, 2019 17 minutes ago, Peca ja said: Ovi ulazni kond. mi idalje izgledaju malecki i smesni u odnosu na stare (navikao sam na one ogromne) negde na netu naletim na uputstvo "kaze kratko spoji ulaze" ja uradim to i kako sam upalio pojacalo ono svitnulo ko bozicna jelka . Da se ne udubljujem meni ovi kondi ne izgledaju "ulazni" niti da su na ulazu nego su u ispravljaču tako da treba rasčistiti šta smatraš za ulaze šta za izlaze jer ne verujem da si kratkospajanjem signalnog ulaza sa masom mogao da svitneš pojačalo da nisi prespojio izlaze za zvučnike što se tiče mirne struje meri pad napona na emiterskim otpornicima i našteluj na struju preporučenu za tvoje pojačalce, preračunato putem http://www.ohmslawcalculator.com/ohms-law-calculator prvo za jedan kanal pa posle za drugi
Peca ja Napisano Novembar 9, 2019 #236 Napisano Novembar 9, 2019 Da lose sam se izrazio , mislio sam na ispravljacki deo , ne na ulazni signal . a ja uzeo dva cinca kratko spojio svaki za sebe , gurnuo u ulaz i palio pojacalo , istog momenta se zapusili izlazi , sta sam ja tu mogao da zajb.m ne znam ?
Peca ja Napisano Novembar 10, 2019 #237 Napisano Novembar 10, 2019 Videh ovde u temi da bi trebali hladnjaci na BD139 i BD140 pa me bas zanimalo da premerim , posle 4h rada pojacala temperatura je brzo otisla na 90 stepeni ali je i ostala tako do kraja . Svakako sutra trazim hladnjake da ugradim .
Peca ja Napisano Novembar 11, 2019 #238 Napisano Novembar 11, 2019 Napravio sam hladnjake (kanalica za led trake) i postavio , sad temperatura ne prelazi 55 stepeni . Imao sam i neku masivniju varijantu da spustim temperaturu jos ali ovo radi za sad . Sa 90 na 55 stepeni nije lose . dal da spustam jos ili ? djmilicic and dejanco32 je reagovao/la na ovo 1 1
mutayu Napisano Novembar 11, 2019 Autor #239 Napisano Novembar 11, 2019 Kad podesis struju mirovanja trebalo bi i da se temperatura spusti i ustabili. Jesi li pronasao odgovarajuce trimer potenciometre i kondenzatore 470uF? Ima dosta toga ponudjenog na internetu. Kondenzatori ne moraju da budu 6,3V, mogu i vise. Pogledaj i kako sam ja zamenio C1,C2,C22 i C23 sa Philips blok kondenzatorima pa i to odradi.
Peca ja Napisano Novembar 11, 2019 #240 Napisano Novembar 11, 2019 Jos niko da mi objasni kako se steluje mirna struja , Zadnji put kad sam pokusao sprzio sam izlaze . Videh kako si ti resio to blok kond. ima i to resenje , mada bi mi trebalo 48 komada , nasao sam od 470uF ali 16v to je daleko od 6,3v pa kontam dal pametno da stavljam to posto vec preko njega dolazi signal ? ? A trimere i dalje ne znam koje da kupim ? ima gomila u ponudi , znam da mi treba 1K i da moze viseobrtni ali ih ima razlicitih po snazi od 0,1w do 0,75w ? ? sta da kupim ? Da kupim ovo ? : https://www.mgelectronic.rs/potenciometar-trimer-viob-38-y-1k
zek Napisano Novembar 11, 2019 #241 Napisano Novembar 11, 2019 1 hour ago, Peca ja said: Napravio sam hladnjake (kanalica za led trake) i postavio , sad temperatura ne prelazi 55 stepeni Ako ima mesta iza, stavi još jedan hladnjak back - to - back i stavi termalnu pastu da bolje odvodi toplotu. vladd je reagovao/la na ovo 1
zek Napisano Novembar 11, 2019 #242 Napisano Novembar 11, 2019 33 minutes ago, Peca ja said: A trimere i dalje ne znam koje da kupim ? Da kupim ovo ? : https://www.mgelectronic.rs/potenciometar-trimer-viob-38-y-1k Vidi da ti raspored nožica bude koliko-toliko sličan ako već ne može da bude isti kao postojeći, da ne bi uplitao nožice nepotrebno.
Preporučeni Komentari
Kreiraj nalog ili se prijavi da daš komentar
Potrebno je da budeš član DiyAudio.rs-a da bi ostavio komentar
Kreiraj nalog
Prijavite se za novi nalog na DiyAudio.rs zajednici. Jednostavno je!
Registruj novi nalogPrijavi se
Već imaš nalog? Prijavi se ovde
Prijavi se odmah