Mikorist Napisano Novembar 4, 2018 #683 Napisano Novembar 4, 2018 2 hours ago, vladd said: Kod ovog SIT koncepta se nisam upustao u detaljnu analizu, ali svakako se ne moze koristiti bilo koji ili bilo kakav "optokapler", ali ono sto mogu da tvrdim je da promena struje kroz LED u sklopu ima sasvim drugacije ponasanje, prilicno konstantan A-K napon, za razliku od otpornika na kojem bi se formirao napon srazmeran struji... Koliko vidim na BIG DiY jedino se Pa i Zen bave ovim... Ostali prave SIT konstrukcije bez optocouplera. Ili jednostavno kloniraju M2 ne ulazeći u suštinu.
Vix Napisano Novembar 4, 2018 #684 Napisano Novembar 4, 2018 A sustina je da naucimo nesto novo zar ne? Mikorist je reagovao/la na ovo 1
Mikorist Napisano Novembar 4, 2018 #685 Napisano Novembar 4, 2018 Just now, Vix said: A sustina je da naucimo nesto novo zar ne? aha
mutayu Napisano Novembar 4, 2018 #686 Napisano Novembar 4, 2018 Cekaj, moze li se optokapler u tom slucaju uspesno upotrebiti u kolu za regulaciju struje mirovanja na izlazu pojacala AB klase? I koje su mu onda prednosti u odnosu na klasicne konstrukcije sa diodom, termistorom i/ili tranzistorom?
Mikorist Napisano Novembar 4, 2018 #687 Napisano Novembar 4, 2018 35 minutes ago, mutayu said: Cekaj, moze li se optokapler u tom slucaju uspesno upotrebiti u kolu za regulaciju struje mirovanja na izlazu pojacala AB klase? I koje su mu onda prednosti u odnosu na klasicne konstrukcije sa diodom, termistorom i/ili tranzistorom? Može. Piše u patentu. Quote Class A and Class AB operation in push-pull transistor amplifiers. 35 minutes ago, mutayu said: koje su mu onda prednosti u odnosu na klasicne konstrukcije sa diodom, termistorom i/ili tranzistorom? Quote reduces distortion by isolating the bias circuit from the output nodes and preventing saturation in transistors forming the bias circuit. smanjuje distorziju THD.... i uparuje kao što vidimo neuparene tranzistore
mutayu Napisano Novembar 4, 2018 #688 Napisano Novembar 4, 2018 Auuu. Ja znam da ne znam ali kada ponekad kvantifikujem to neznanje uplasim se. Odoh da citam, primena ovoga bi mogla dovesti do jednog mnogo dobrog poboljsanja.
Aleks Napisano Novembar 4, 2018 #689 Napisano Novembar 4, 2018 2 hours ago, Impuls said: kako ne moze da radi u linearnom rezimu? Nisam rekao da ne moze, nego da na VTS Nis nisu ni pominjali linearni rezim. Mada, koliko se tamo ucila elektronika, dobro znam kako radi tranzistor...
vladd Napisano Novembar 4, 2018 #690 Napisano Novembar 4, 2018 Samo treba uloviti tajni majni, prevedeno mici malecku ) zonu aktivnog rezima rada fototranzistora, od ukljucenja do zasicenja, pa u okviru nje, linearan deo...i da pokrije opseg struja i napona na sorsovskim otpornicima. Mislim da se nece naslusati "optorollinga"
vladd Napisano Novembar 4, 2018 #691 Napisano Novembar 4, 2018 3 hours ago, Mikorist said: smanjuje distorziju THD Pojednostavljujuci slozena desavanja, na nesto manje manje slozena. Ako se zamisli klasicni sklop bazicno sa par(tri, cetiri) diode, trimer i tranzistor(uz pripadajuce otpore okolo) desavanja su nesto slozenija posto se generisan napon na otporima koji mere struju, odvaja jednim delom za pobudu baze bias tranzistora, pa desavanja na kolektoru, koji treba da prelije napon na emiter i "donji" tranzistor izlaza, uticu na razlicitost pobude baze, i svaki incidentni pik moze da ima razlicit uticaj na rad bias tranzistora.. Sa optokaplerom su priblizna desavanja, isto tranzistor sluzi kao ventil, zamo sto incidentna desavanja u generisanom naponu imaju odredjenu drugaciju karakteristiku, posto prolaze kroz transformaciju u svetlo u LED-u. Pa su desavanja u supstratu tranzistora malo mirnija, difuzija je homogenija posto je indirektna, izazvana svetlom, ne pojavljuje se nagomilan oblak naelektrisanja u maloj zoni prikljucka baze, nalik na "vrucu tacku". Takva zona je haoticna, i moze da izazove kratke lavinske efekte, priblizavanje zasicenju, kada je gasenje tranzistora spontanim odlivom naelektrisanja prilicno usporeno i nelinearno, ne prati signal, pozeljno bi bilo negativnom pobudom izvlaciti nosioce iz baze, sto je u sklopu neizvodljivo. Pa je opste ponasanje sklopa i sklopa koji se regulise manji THD i bolji odziv u pracenju desavanja
Zen Mod Napisano Novembar 4, 2018 #692 Napisano Novembar 4, 2018 ne zaboraviti da je maltene svaki biasing sklop u kojem je upotrebljen optocoupler , bar u zadnjih nekoliko konstrukcija prikazanih ovde i okolo , poprilicno blokiran velikim elektrolitom sto ce reci - sensing strana poprilicno moze da prducka , sve dok izvršna strana ima dovoljno veliku vremensku konstantu takodje - "pojacanje" celog biasing sklopa ( dakle sensing strana i promena velicina kod iste , te prenos na izvrsnu stranu i promena velicina kod iste) mora da pokriva transkonduktansu elemenata koji se biasuju zato je , recimo , nemoguce biasovati hockey-puck sized mosfete sa optocouplerom bez dovoljno velikog sense otpornika , ili malog otpornika uz odredjeno pojacavacko kolo ...... igranka bez prestanka ..... dosta velicina koje se moraju uklopiti , uz vodjenje racuna o ulaznoj impedansi izlaznog stepena , temperaturne stabilnosti , stabilnosti pri promeni napona railova , stabilnosti u modusu rada pri naponskom , pa onda strujnom klipingu ....... ihaj
Mikorist Napisano Novembar 4, 2018 #694 Napisano Novembar 4, 2018 5 minutes ago, vladd said: Prosto Ako se dopisuješ svaki dan sa Nelsonom.
Zen Mod Napisano Novembar 4, 2018 #695 Napisano Novembar 4, 2018 tata rodjeni bi te oterao gde treba , da krenes pisati svaki dan u svemu treba imati meru ...... i raditi homework nije poenta uraditi kao Nele , nego skontati zasto je to tako uradio ...... Vix, Mikorist and vladd je reagovao/la na ovo 3
Vix Napisano Novembar 4, 2018 #696 Napisano Novembar 4, 2018 12 minutes ago, Zen Mod said: ...nego skontati zasto je to tako uradio ...... E, to je najtezi deo...
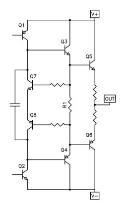
Mikorist Napisano Novembar 4, 2018 #697 Napisano Novembar 4, 2018 28 minutes ago, Vix said: E, to je najtezi deo... Quote 1988—US Patent 4752745: Opto-isolated bias circuit for operating push-pull amplifiers in class-A and class-AB modes: This one was optically coupling current sensing to the bias circuitry, which locked it nicely. Typically, bias drifts over time, and with changes in temperature. Even if it's perfect, the amp heats up and things shift. This was a way to look at the current and couple it back to the bias circuit for a constant bias. Nowadays, we just let the amp warm up and settle in. One hour is pretty good, two hours is better.Read more at https://www.stereophile.com/interviews/nelson_pass_patents/index.html#CoPygo6KphtDmdBv.99 Quote I later patented (Fig. 2). Figure 1: Simplified version of the GFA555 bias generator. Figure 2: Opto-isolated feedback bias generator as patented by Mr. Pass. In the GFA555 circuit, the bases Q7 and Q8 see the voltage across R1 and begin conducting when that voltage is enough to bias up their PN junctions (about 1.3V). This controls the voltage across the bases of drivers Q3 and Q4 with a localfeedback loop and biases output devices Q5 and Q6. The loop eliminates the thermal drift of Q3 and Q4, which improves the output stage bias current stability. This still leaves the thermal drift of output devices Q5 and Q6, but the thermal characteristic of the PN junctions of Q7 and Q8 tend to compensate for this if they are in thermal contact with the output stage. The second circuit is similar, but uses an optical isolator, which eliminates any electrical connection between the current sensing and bias control parts. https://www.audioxpress.com/article/Interview-with-Nelson-Pass
Mikorist Napisano Novembar 4, 2018 #698 Napisano Novembar 4, 2018 On 11/2/2018 at 3:26 PM, Mikorist said: Po mojoj (gruboj) računici sa Cinemag od 50% do 80% sve zajedno gađa da ide ispod 1% Odo da se bavim serverima sad.
shonne Napisano Novembar 5, 2018 #699 Napisano Novembar 5, 2018 Sissy mafija Mikorist je reagovao/la na ovo 1
Mikorist Napisano Novembar 5, 2018 #700 Napisano Novembar 5, 2018 6 hours ago, shonne said: Sissy mafija shonne je reagovao/la na ovo 1
Mikorist Napisano Novembar 5, 2018 #701 Napisano Novembar 5, 2018 On 11/4/2018 at 6:08 PM, Zen Mod said: granka bez prestanka ..... dosta velicina koje se moraju uklopiti , uz vodjenje racuna o ulaznoj impedansi izlaznog stepena , temperaturne stabilnosti , stabilnosti pri promeni napona railova , stabilnosti u modusu rada pri naponskom , pa onda strujnom klipingu ....... ihaj A čemu služe ACS čipovi u izlazu kod optocouplera to nisam video niđe
Zen Mod Napisano Novembar 5, 2018 #702 Napisano Novembar 5, 2018 nije prvi amp na svetu koji ima bias sense u railovima (a malo ih je!!!) , ali je prvi amp na svetu koji ima Hall current sense chips u railovima za bias sense Mikorist je reagovao/la na ovo 1
Mikorist Napisano Novembar 5, 2018 #703 Napisano Novembar 5, 2018 3 minutes ago, Zen Mod said: nije prvi amp na svetu koji ima bias sense u railovima (a malo ih je!!!) , ali je prvi amp na svetu koji ima Hall current sense chips u railovima za bias sense
Preporučeni Komentari
Kreiraj nalog ili se prijavi da daš komentar
Potrebno je da budeš član DiyAudio.rs-a da bi ostavio komentar
Kreiraj nalog
Prijavite se za novi nalog na DiyAudio.rs zajednici. Jednostavno je!
Registruj novi nalogPrijavi se
Već imaš nalog? Prijavi se ovde
Prijavi se odmah