Jump to content

Zen Mod

Administrator
  • Broj sadržaja

    39780
  • Na DiyAudio.rs od

  • Broj dana (pobeda)

    574

Sve objavljeno od Zen Mod

  1. bice to u svim Jagodinama, oduvek
  2. prakticno svejedno za audio upotrebu
  3. od ovih predstavljenih , SissySIT i B. M25 vec dobro poznati od ranije, revision napravljeni bez zvucnih promena ostale sam cuo prethodno u formi prototipa, neke mono neke stereo ovo sto je sad u toku je prakticno potvrda funkcionalnosti pcbs koje pristizu msm, nije neko iznenadjenje nijedno samo po sebi, bar ne sad ono sto mi je drago, za razliku od pre par godina napravljene Schade iteracije, ovu sam najzad uspeo da uradim bez kompromisa znacajan problem je bio i biasing voltage i pobuda za Schade-d mosfet, biasing zbog nesimetrije napona sa naspramnim mosfetom, a pobuda jer moras cvrsto da ga poguras i zarad stabilnosti transfer k-ke i zarad Freq. odziva ...... ako je pobuda wobbly, krenu da samaraju interelektrodne kapacitivnosti u kombinaciji sa Schade deliteljem u gate-u....... u fazonu rdjavome svaka dlaka smeta
  4. kao sto rekoh, nisam jos ni na pola spiska
  5. ima jos parnekoliko , u fijokci
  6. eh, nismo jos ni na pola spiska
  7. How it sounds ...... will it drive F4? I'm gonna toss all my precious ( 'till today) SITs and VFets to OPLDF bin, cruncher is gonna work these days anyway ..... THD Spectra comparison with SissySIT - go to #7 in https://www.diyaudio.com/forums/pass-labs/371272-sissysit-3-a-post6626308.html
  8. some funny porn, as proof that I changed something when I made those few changes from Babelfish M25 R.2 ( few resistors, TP2640), after flipping power switch - Iq came to same value as it was set for B. M25 all what was needed is to correct DC Offset, for 400mV or so easypeasybreazy
  9. THD measurements +/-24Vdc rails, Iq 1A5 , 8R Load
  10. name of the game was to create SIT amp for Greedy Boyz Hordes ...... naah, I don't care for Hordes, I have all the fun logical thing would be to put emulated SIT in same position as in DEFiSIT/SissySIT, which is positive rail; from some reasons I tried in simulations to put it down (lower rail), then realized that that approach is resulting in difficulties - choice of small P channel mosfets for Source follower/level shifter, having low threshold Ugs is much smaller than counterparts in N polarity however, me being stubborn as I am, stayed with P channel ....... SF Ugs is important, beacuse it is additive to feed point of Schaded mosfet, which in this case we have as -3V8 (ref to output) , then Ugs of TP2640, so resulting biasing voltage at TP2640 gate is around -5V4, ref to output in same time , Ugs of upper mosfet is +4V42, which means that resistances from rails to adjacent gates are still pretty symmetrical one of interesting things - of all lately seen amps, only this one is having same current distribution of output parts as real DEFiSIT is having - up to clipping point of more active part, parts are working in antiphase , fighting each other..... and only at and after clipping, lesser acting part ( one with lesser xconductance) is helping other one see attached - graph from sim, but confirmed in vivo....... though, easier to post this than capturing scope screen ..... counting on fact that I have a scope from Lee De Forest time, but before triode invention sim shown from output sine of around 20Vpp @ 8R load biggest sine - upper mosfet current smaller sine - current through load smallest sine - Schaded mosfet current
  11. -Honey, I Shrunk the Kids! ...... no, wrong movie..... -Honey, I Shrunk the SITs! .....no, there is no such movie.... -Honey, I created a Monster! .....no, there is no such movie.... -Honey, I am The Monster! ...that's the movie which must exist!
  12. yup, seti se - bez overall NFB
  13. samo me interesuje cemu magicne nogice i silno klampovanje baterijama ..... da neutralise to sto je smesten na zvoneci plek od milimetra ........ garant
  14. nista ja ne merim, samo na uvce se podesava yup!
  15. ja imam izvesnu kolicinu 2N1099 koji ce ici u kitovima , a moguce da nabavim i izvesnu kolicinu 1T813 prakticno je najkomplikovanije za nabavku - ulazni trafo Don Audio u Nemeckoj ili direktno od proizvodjaca u USA
  16. How it sounds? Bloody, Jolly good - as your regular M2 ....... Berserked on eeeny speakers ( not demanding anything from amp) - maybe just little cleaner; if you have speakers, you not even thinking being adequate for 25W A Class amp, this is A Class amp to change your thinking Have few ( of previous incarnation - Hall chips in biasing mech.) driving Dynaudio Contours, one is driving Guy tall Triangles with trio of 8" woofers per side Hope tomorrow to post same files for SET amp observe that I implemented 2 veeeery secret tricks, how to make amp muchmuch better than schm itself is promissing - I've put one strategically placed Blue LED (Papa's trick) and Cinemags put to sing are my Uncle Bubba Bob's .... so World is my Oyster
  17. measurements , 8R Load rails +/-24Vdc, Iq 1A5
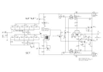
  18. Yup, improved iteration of previously made Babelfish M25 Who remembers - 'twas bstrdzd FW M2 with implementation of XA25 main trick - Square Law arrangement of OS mosfets, in simpler words - mosfets in OS put to work without source resistors Result - looooow THD of OS, but main difference being broader A Class envelope , most prominent in context of 4R load - where regular M2 is KlunK!ing around 12-13W, while B. M25 doing the same around 40W ...... rest to max being KlunK! This pcb made for easy implementation of Schade arrangement for one OS mosfet, arbitrary chosen to do that with lower one, even if that is making some problems with choice of small mosfet for source follower/level shifter ....... I need one with lower Ugs treshold ( it adds to Schaded mosfet Igs) , and P channel small mosfets with that are scarce, somewhat Anyway, find enclosed both schmtcs, full one ( all parts on pcb populated) for SET (Schade Enhanced Thingie) and second - few parts omitted - for Babelfish M25 R.2 note - slight tweaks of THD Spectra, for one's Golden Ears, possible with change of output mosfets - down one can use either IRFP9140 or 9240, up can go IRFP240 or 150 about that later reminder - extensive ( if crude) explanation of biasing mechanismus posted in LuDEF thread , posts #32-#37, LuDEF Today - all files for Babelfish M25 R.2 ; anyway - read captions - each file is properly named and have caption
  19. zivco bacio se u poso, znas njega - on nista ne radi na pola
  20. 1T813 spada u zadnju generaciju Ge mrga, ni po cemu nije specijano kritican - i snaga i Hfe i temperatura je visoka ( u kontekstu), mislim da je prije pitanje finalne kontrole..... da ne ulazim u pitanje kvaliteta/uspesnosti/ujednacenosti procesa ... o cemu nemam ama bas nijedne cinjenice u posedu no, sto rece A. Wright - puna kutija neotpakovanih TFK ECC88 ....... ne mora da znaci nista dobro, a moze .....
  • Trenutno na sajtu   2 članova, 1 Skrivenih, 94 Gosta (Pogledaj celu listu)

  • Forumska statistika

    9.1k
    Ukupan broj tema
    446.9k
    Ukupan broj objava
  • Statistika članovȃ

    2971
    Svi članovi
    3371
    Najviše na sajtu
    pancho_tnt
    Najnoviji član
    pancho_tnt
    se pridružio
×
×
  • Kreiraj novo...