Jump to content

Zen Mod

Administrator
  • Broj sadržaja

    40407
  • Na DiyAudio.rs od

  • Broj dana (pobeda)

    602

Sve objavljeno od Zen Mod

  1. nesto od onoga sto smo pricali ..... http://www.blic.rs/www.blic.rs/vesti/hronika/saobracajna-nesreca-u-kikindi-poginuo-motociklista-u-sudaru-sa-automobilom/f5qwrdj javlja mi se da je fatalan ishod posledica nepridrzavanja propisa ........ jeste smor 50 u naselju , ali se isplati pa da se ustedi i jedan zivot godisnje
  2. opet mute
  3. NinjaHolm
  4. vidi , na naked-u (a to je svaki koji nema ni zrno oklopa na sebi , pa bio chopper ili caffe racer) 120 je brzina koja ne prija zarad otpora vazduha , brzo se umoris e sad , kolko je dovoljno brzo da se kosti polome ....... (pupudalekobilo) ,vidjao sam ljude koji su peske polomili kljucnu kost ono - mogu da povucem paralelu izmedju voznje bajka i rada u elektronici .......... nista ne moze zameniti iskustvo i rutinu ...... kao i stalnu prisutnost ja sam stete pravio i tukla me struja kad sam nastavljao da radim , dok koristim handsfree phone ili pricam sa nekim go figure
  5. Zen Mod

    Novi subforum

    Kao sto obecah ,eve specific subforuma Svako malo neko nesto krene da prica o autima , a ponekad i o dvotockasima Sa druge strane , mozda neko ovde zaluta i postavi pitanje o Car Audio ........
  6. ja imam u pricuvi 3-4 ReVoxa , ali mi se i ne vade iz pricuve koji ce mi andrak
  7. ono sto sam otprilike misio sa prethodno napisanim je da onaj ko stvarno nije za motor , ne treba ni da ga vozi ......... s obzirom na sve opasnosti koje vrebaju , turizam je tu jako zaebata stvar kad sam krenuo polagati onomad proletos , kao matora konjina , na poligonu krenem sve sto treba sa KTM640 posle ta prva dva casa kaze meni instruktor - ti bi mogao odmah da polazes , sto se tice same tehnicke strane voznje ......... ja mu odgovorih - idi begaj , nisam se jos ni na kvacilo navikao skaska je u tome da bih - pre 20 godina - u istoj situaciji posle prvog casa bio vec na zadnjaka ...... a sad mogu reci da se nisam posteno navikao na konkretan motocikl ni posle cele predjene obuke i polaganja na istom sa 15 sam imao prdalice koje su isle 80-90 posle toga , sve do ovog matorog doba , sam uvek imao nesto sto sam vozio "ko svoj bicikl" a islo je bar 60-ak ( sto je kao 120 na necem vecem ) , kao i bar jedan veci motor koji je camio deceniju da se ja nakanim i nadjem vremena od elektronike da ga sredim nakon svih tih godina , namerno li je sto sam svesno izabrao lazy bag da vozim ...... preziveo sam i doziveo ove godine jer sebi nisam dopustio da jurim kad sam znao da ne bih znao da se obuzdam ........ pa sad mogu cool da se kotrljam jos jedno 3 decenije tako da se slazemo - motocikl bez pameti ne ide ......
  8. pa , stvar poznata .... ali mozemo da je razmatramo samo na akademskom nivou prvenstveno zbog toga sto je izbor softwera daleko veci na vinilu ..... sa druge strane - onaj kome cenovni faktor za brand new tape , izdanja na tape itd nije od krucijalne vaznosti ....... taj ce da ima i tape sistem i nece visiti na forumima
  9. svodi se na to - na dva tocka ces da opstanes ako imas šlifa za to ...... i ako te baš ne potera maler što reče Lemić, ja to sve kao polutan razmišljavam
  10. ne . u kutijama od Garrard gramopojacala su bili samo ovi driveri sa trubicama postoje ti isti driveri bez trubice , u nekim drugim Iskra kutijama , ali mislim da je bilo jos razlike jer to ni izbliza nije bio extended range driver iteracija sa AlNiCo - postoje cak dve razlicite , sa dve velicine magneta , se razlikuju i po tome sto vesanje nije gumeno nego corrugated paper , izjedna sa cone manje basa , ali zato sve ostalo za koplje bolje
  11. !!!!!!!!!!! pa naravno! ja sam bio mali tada ......... za Imrea znam samo iz Auto Magazina , koji sam kupovao redovno cak sam negde dugo cuvao isecak o njemu , koliko sam bio fasciniran otvaraj temu ovde (druzenje/meets) a ja tacno moram zamoliti Miku da nam ustanovi Auto/Moto stavku
  12. kad pomenu Vilka ....... seca li se ko Imre Salme-a , iz Subotice ?
  13. meni taj srednji deluje neubedljivo ........ u tom rangu velicine bassa mozda je bolje ici na 2Way , bez srednjeg ima tamo magnata i slicnih u Appolito konfiguraciji ...... (dva bassa za izmedju visoki) usput - sta god da kupujes , probaj prvo da cujes ..... a ne da ih prvi put vidis i cujes kad ih raspakujes kuci
  14. aj kad vec pominjem probleme sa jednim cilindrom - Princovi i slicno , svi imajuci Rebel 125 (250,400) kao origin . Svi imaju slabu tacku istu kao i Honda - dobra stvar sto bregasta nema direkt zurnale u glavi , nego ima klizne caure , ali je losa stvar sto te caure mogu da budu malo boljeg kvaliteta resenje kad propadne (prvo jedna) caura , pa zine zazor klackalica , dakle adio punjenje a uskoro adio i karike : ne kupuj set bregasta/caure (smesno , ispod 2K) , nego kupi dva iglicasta lezaja RNA4902 , turi njih i cooliraj napisao vec negde na BJBikers forumu , da znaju ljudi
  15. subler i u prodavnicu potisni kuglicni lezajevi - na njima mozes da izmeris cisto kao primer na sta mislim - 51105 FAG 25X42X11
  16. sta ti je te'nika ........ tureo nove svecice , em garant original NGK ( nisu Iridium , mozda se i pruzim ) , em garant adekvatan tip druga masina - em pali , em pale oba cilindra odmah , em vuce kako treba da vuce u stvari - vuce kako i nema pravo , s obzirom na decjih 125ccm i na musku tezinu cele skalamerije naravoucenije , ne samo za sve vlasnike kinezića sa istim ili slicnimmasinama (i problemima) - prvenstveno zahvaljujuci nepostojanju korektne servisne dokumentacije , potrebno je ustanoviti japanski origin i koristiti Hayness ili originalnu servisnu dokumentaciju batali svetske i domace forumske informacije , koristi mozak vecina vlasnika Sprint Princ (i Par Spydera) i srodnih masina zive u ubedjenju da se mora ziveti sa karburatorima koje je tesko (ili cak i nepotrebno) sinhronizovati , da je normalno da jedan od cilindara mora da radi tek kad se malo podgreje itd. a , sa druge strane , Honda Rebel ( kao delimicni ili potpuni origin ) je poznata kao jedna od najpouzdanijih i najzahvalnijih malih masinica ....... mda , svecice - kantica kupljena sa (kobajagi?) NGK CR7HSA zamenjeno sa (garant) NGK CR6HSA sto bi reko Djura ....... joj razlike ..... u user manualu za CA125 Rebel napisano:
  17. sorry ne stigoh do radionice odonda (sto volem taj izraz kad se kaze i napise spojeno) danas ceo dan bio na putesestviju sutra sam tamo ceo dan .....
  18. kad zavrsis sklopociju i kad ti dzep/volja omoguce - odradi masivniji front (drvo, mediapan,Al ,sta vec) bio bi to slag na torti ........ za ono kako mi se cini da ce da izadje
  19. Zen Mod

    Boenicke W5 SE

  20. meni svidja pravi imzenjerski pristup . gde si kupovao speaker binding posts ?
  21. munjen, pa to ti je taman za elektrifikovanu mindjusu
  22. par ootoobe kanala koji su veoma poucni , i za stare vukove : - kultura saobracaja i taktike , izvanredna pokazna skola svakodnevne voznje u Londonu ( pa i sire ) : https://www.youtube.com/channel/UCgef_fFE9FEFZGQcHqp9aZw -bazicna i napredna motomehanika,masinska obrada i pokazna skola zdravog pristupa mehanici : https://www.youtube.com/channel/UCKGXg3bGlGZF55ayX6KR-5g
  23. Zen Mod

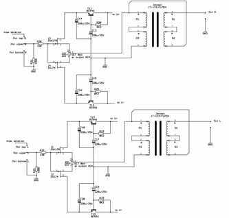
    CV 468 i AD1865N

    ec70.pdf
  • Trenutno na sajtu   0 članova, 1 Skrivenih, 72 Gosta (Pogledaj celu listu)

    • There are no registered users currently online
  • Forumska statistika

    9.1k
    Ukupan broj tema
    451k
    Ukupan broj objava
  • Statistika članovȃ

    3009
    Svi članovi
    5071
    Najviše na sajtu
    Enzo
    Najnoviji član
    Enzo
    se pridružio
×
×
  • Kreiraj novo...