Impuls Napisano Jul 22, 2011 #1629 Napisano Jul 22, 2011 nesto ranije a nesto danas ali nisam stigao da se hvalim..
Ја sam sam Napisano Jul 24, 2011 #1634 Napisano Jul 24, 2011 Посети ме колега раном зором, док сам још и донесе:
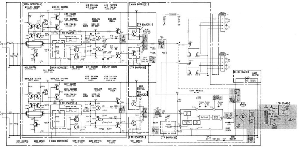
Ја sam sam Napisano Jul 24, 2011 #1635 Napisano Jul 24, 2011 И наравно: Али зато је однео алуминијумске "Л" профиле
stein Napisano Jul 24, 2011 #1636 Napisano Jul 24, 2011 Čini mi se da na desnoj strani gajbice nije namešten DC ofset kako treba... Možda zato što je očigledno da ti nisu svi elementi upareni kako valja... Ovo je mono-blok, 'oće'l biti još jedan pa da bude stereo?
guja011 Napisano Jul 24, 2011 Autor #1637 Napisano Jul 24, 2011 eto vidiš, mogo bi i ti sa gajbicom žaba da trguješ. neko zna znanje a neko kuka.
Ја sam sam Napisano Jul 24, 2011 #1638 Napisano Jul 24, 2011 Ма то је гајба спремљена за ЕУ, код њих никад ДЦ није подешен.
stein Napisano Jul 27, 2011 #1640 Napisano Jul 27, 2011 Još nije kod mene, ali će ubrzo da bude... Ostaje samo da u kućište od izlaznog pojačala koje sam onomad kupio uklopim neki izlazni stepen... Verovatno GC ili TDA7294... Mada, ozbiljno razmišljam o opciji da u kućište izlaznog pojačala stavim napajanje za aktivnu skretnicu/preamp a sam preamp/skretnicu da stavim u ovo kućište...Videćemo...
Ја sam sam Napisano Jul 27, 2011 #1641 Napisano Jul 27, 2011 То се не важи, када буде у оном твом голубарнику онда слике. Иначе такав сони се продавао на Бубњу пре око месец дана за 3000 динара.
BANAT Napisano Jul 27, 2011 #1642 Napisano Jul 27, 2011 Još nije kod mene, ali će ubrzo da bude... Ostaje samo da u kućište od izlaznog pojačala koje sam onomad kupio uklopim neki izlazni stepen... Verovatno GC ili TDA7294... Mada, ozbiljno razmišljam o opciji da u kućište izlaznog pojačala stavim napajanje za aktivnu skretnicu/preamp a sam preamp/skretnicu da stavim u ovo kućište...Videćemo... To je Sony Falkon mini linija negde iz 70` .Cudno sto je taj Sony Tae -20 F preamp ` truba` kvaliteta i zvucno i koncepcijski ali zato njegov par Sony TAN -15Fmaleni izlazni 2x40w A klass Amp jeste Mnogo Dobrog zvuka ! Nazalost Izmako mi je pre jedno par meseci za nekih 1500din !Poz
Ја sam sam Napisano Jul 27, 2011 #1643 Napisano Jul 27, 2011 Тај мали снагаш сам и ја гледао код ганција на Бубњу, и не ради у а класи мирна струја му је 45мА .
BANAT Napisano Jul 27, 2011 #1646 Napisano Jul 27, 2011 Тај мали снагаш сам и ја гледао код ганција на Бубњу, и не ради у а класи мирна струја му је 45мА . Ja sam ga video pre par meseci ali na Pancevackom buvljaku - verovatno kod istog preprodavca . Koliko se secam cini mi se da je to tada 70` bio A/AB Klass amp sa Fetovima na ulazu dif,poj. - mozda gresim ! Ali znam sigurno da to pojacalce mnogo dobro zvuci !
stein Napisano Jul 27, 2011 #1647 Napisano Jul 27, 2011 Ja sam kupio pojačalo od 20W u kućištu tog Sony snagaša. 2x10W... Neki TDA2006... Al' dobro. Voda ispod mosta... Sad imam prazno kućište i hladnjake. Moglo bi da prođe kao kućište za napajanje preampa...
dlalkovic Napisano Jul 27, 2011 #1648 Napisano Jul 27, 2011 Ja sam ga video pre par meseci ali na Pancevackom buvljaku - verovatno kod istog preprodavca . Koliko se secam cini mi se da je to tada 70` bio A/AB Klass amp sa Fetovima na ulazu dif,poj. - mozda gresim ! Ali znam sigurno da to pojacalce mnogo dobro zvuci ! Imam jedan primerak bez mrežnog trafoa, ali ispravan. Iz servisnog uputstva 100mА mirne struje.Ima dual fet na ulazu.
Ја sam sam Napisano Jul 27, 2011 #1649 Napisano Jul 27, 2011 Ja sam ga video pre par meseci ali na Pancevackom buvljaku - verovatno kod istog preprodavca . bio A/AB Klass amp sa Fetovima na ulazu dif,poj. - mozda gresim ! Баш тако:
BANAT Napisano Jul 27, 2011 #1650 Napisano Jul 27, 2011 Ja sam kupio pojačalo od 20W u kućištu tog Sony snagaša. 2x10W... Neki TDA2006... Al' dobro. Voda ispod mosta... Sad imam prazno kućište i hladnjake. Moglo bi da prođe kao kućište za napajanje preampa... Steine ma kakav Tda... nema to veze sa kvalitetom ovog malenog Sony -a TAN15F !Ti imas kutiju dok kolega Lalkovic ima OK `crevca` za njega , pa se dogovorite nekako , ko ga sastavi nece da pozali sto se zvuka tice , nema veze sto je taj Amp iz 70 `!BTW ,secam se da je imao unutra i sjajan mali oklopljeni C typ mreznog trafoa koji je to besprekorno gurao . Poz Svima !
Preporučeni Komentari
Kreiraj nalog ili se prijavi da daš komentar
Potrebno je da budeš član DiyAudio.rs-a da bi ostavio komentar
Kreiraj nalog
Prijavite se za novi nalog na DiyAudio.rs zajednici. Jednostavno je!
Registruj novi nalogPrijavi se
Već imaš nalog? Prijavi se ovde
Prijavi se odmah