Fukushima Napisano Jul 12, 2011 #45 Napisano Jul 12, 2011 1. Ko o cemu ti o BD249/250. Poeg toga sto imaju mali Ft, baci pogled na current gain grafik. pogledaj datasheet2. Zbog cega si se odlucio da i driveri izlaznih tranzistora rade u AB klasi?3. Zbog cega bas 2.28mA po ulaznom jfetu, tj zasto da rade u nelinearnom delu?.opet pogledaj datasheet.4. Cemu ta zakomplicirana stabilizacija reference kaskoda?5. Kako radi taj VAS?6. Otkud 100W na 8 oma sa +-35V napajanja izlaznog stepena?
stein Napisano Jul 12, 2011 #46 Napisano Jul 12, 2011 Ne znam, ali meni ova šema deluje prekomplikovana. Podseća me na neka rešenja kada je sve počelo jednostavno, pa su konstruktori našli problem i onda da ga eliminišu, dodali još po dva tri dela tu i tamo, da kompenzuju grešku, pa su onda umesto do tada postojećih, isplivali novi problemi, koji su se opet rešavali dodavanjem još delova, pa na kraju ispade dobro, ali ništa više nego samo dobro pojačalo a istovremeno i groblje delova. Mene zato i fascinira ... recimo... F5 koji možda nije ultimate-high-end ali ima samo frikin' četiri tranzistora za 25 predivnih Wati na 8 i isto tako divnih 40W na 4 oma. Isto tako me oduševila neprejebiva jednostavnost ovog projekta koji sada radim, a ako ćemo pravo, što reče Sipi, samo nebo je granica... Steine, obzirom da su ti roletne 4-omske, cenim da ti je 50-ak W dosta, sa oko 10W u A klasi, na primer:500mA mirne struje kroz svaki MOSFET, znaci 1A po kanalu. Posto je u pitanju push-pull koncept, amp ce u tom slucaju dati 2Apeak u A klasi sto je:P=I * I * R(impedansa zvucnika)P=2 * 2 * 4 = 16 Wpeak = 11.3Wrms = 8WavgAko ti je to prihvatljivo, trafo, ispravljac i filtracija su optimalni kao na semi u thread-u o cirklotronu (toroid 400VA, primar 230V, 4 sekundara po 20V, loaded; ispravljacice brze BYV79 i 47.000uF po sekundaru).20-30% manje od navedenog bi bio minimum a overkill - sky is the limit Daklem, ako se malo poveća napajanje, pojača u filtraciji i još malo pročačka... eto sasvim dobre topologije. Jest, nije sa bipolarnim tranzistorima... ali da li je iko rekao da ne može?
Fukushima Napisano Jul 12, 2011 #47 Napisano Jul 12, 2011 7. Cemu RC filracija za napajanje naponskog stepena ako se napaja shuntovima?8. Zbog cega bas ta vremenska konstanta za servo?9. Zbog cega je bitno koliko upotrebljeni tranzistori mogu da isporuče struje kada je u pitanju stabilizator nap. za servo? 10. Ima jos pitanja Nejasnoca do nejasnoce...bez ljutnje ali sumnjam u tvoje iskustvo koje iz posta u post naglasavas a ja sam ovim hobijem aktivno poceo da se bavim 2005. godine.
stein Napisano Jul 12, 2011 #48 Napisano Jul 12, 2011 7. Cemu RC filracija za napajanje naponskog stepena ako se napaja shuntovima?8. Zbog cega bas ta vremenska konstanta za servo?9. Zbog cega je bitno koliko upotrebljeni tranzistori mogu da isporuče struje kada je u pitanju stabilizator nap. za servo? 10. Ima jos pitanja Nejasnoca do nejasnoce...bez ljutnje ali sumnjam u tvoje iskustvo koje iz posta u post naglasavas a ja sam ovim hobijem aktivno poceo da se bavim 2005. godine.Previše pitanja... Curiosity killed the cat...
Ја sam sam Napisano Jul 12, 2011 #49 Napisano Jul 12, 2011 Појачавач са шеме јесте компликован.Потрошено је и превише компоненти а само педесет вати. Или колико већ?Питање је само како тај појачавач звучи у реалној поставци, јер га сигурно нећемо слушати на мерним инструментима.Пример да сам имао прилике да послушам један Акуфејз појачавач који је баш баш био пун к' о око а звук
Fukushima Napisano Jul 12, 2011 #50 Napisano Jul 12, 2011 Previše pitanja... Curiosity killed the cat... Sta da radim, ja radoznao a konstruktor kontraverzan
Ја sam sam Napisano Jul 12, 2011 #51 Napisano Jul 12, 2011 Sta da radim, ja radoznao a konstruktor kontraverzan Значи Авангарда.
Rade Napisano Jul 12, 2011 #52 Napisano Jul 12, 2011 I šta ako je Dejan podvalio šemu Spectral DMA 260
Ја sam sam Napisano Jul 12, 2011 #53 Napisano Jul 12, 2011 I šta ako je Dejan podvalio šemu Spectral DMA 260 Онда ћебовање.
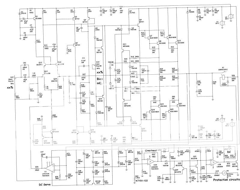
dvv Napisano Jul 12, 2011 Autor #54 Napisano Jul 12, 2011 Slobo, izgleda da imamo nesporazum. Za mene, SE znači Single Ended, što ovde i jeste slučaj, a za razliku od potpuno komplementarne topologije.Nisi u pravu oko pojačanja, ono je kontrolisano odnosom emotroskih i kolektorskih otpornika. Garantujem da je ukupni, izlaz-ulaz NFB faktor tačno 20 dB. I garantujem da je u otvorenoj petlji pri punoj nominalnoj snazi, 100W/4 Oma, -3 dB tačka na 75 kHz. Dovoljno puta sam napravio slična kola da bih znao kako se u načelu ponašaju.Oko prekomplikovanosti - kome je prekomplikovano, neka više ne obraća pažnju na njega. Vama se i može da sa dva tranzistora izvučete mnogo snage, a ja moram da razmišljam o svim mogućim i nemogućim stvarima koja bi sutra taj uređaj mogao da bude izložen ko zna gde, u rukama ko zna kakvog vlasnika, koji je ko zna šta proglasio za zvučnik. I još moram da mu dam garanciju od 5 godina.Ko od vas uopšte ugrađuje iole ozbiljniju zaštitu? Razmišljate li uopšte o tome? Niste u obavezi, jer sve što pravite je namenjeno vama i vama poznatima, a meni će neki kupac biti u Australiji ili u Brazilu.Ne bih bilo kome savetovao ni da pokušava da napravi ono na shemi, jer to nije ništa drugo do tek prvi nacrt, neka opšta orijentacija i ništa više. Sada treba napraviti nekoliko modela (da bi se proverila konzistencija), pa ih detaljno ispitati (sve do tačke pregorevanja, da se zna gde ona), pa ih rabiti malo u praksi, pa tek onda mogu na tržište. Pre kraja ove godine teško da će moći, a i to je dosta optimistički, u slučaju razvoja jako je nezahvalno davati prognoze jer se nikada ne zna u kakve probleme se može uleteti.Jedno je hobi, a drugo je komercijala za koju odgovarate kupcima. Da i ne spominjem sve standarde bezbednosti koje morate da ispoštujete, to je čitava šuma propisa. Na primer, prema najnovijim propisma EU, komponente koje su pod mrežnim naponom ne smeju biti bliže jedna drugoj od 2,58 mm - poštuje li neko ovde taj propis? A to je samo jedan, ima ih kao pleve.
Fukushima Napisano Jul 12, 2011 #55 Napisano Jul 12, 2011 Tu nima govora o open loop propusnom opsegu od 75kHz nego o jedva koem kHz-uSStrsat izlaz VAS-a je opterecen otporima od 15K cime se smanjuje OLG i povecava OL propusni opseg. Zar ne?
sstrsat Napisano Jul 12, 2011 #56 Napisano Jul 12, 2011 SStrsat izlaz VAS-a je opterecen otporima od 15K cime se smanjuje OLG i povecava OL propusni opseg. Zar ne?Ne cini li ti se da i ono ispod tih otpornika predstavlja nesto? Ca mislis....
Fukushima Napisano Jul 12, 2011 #57 Napisano Jul 12, 2011 Nisam siguran da razumem sta mislis pod tim "ispod" otpornika? Mislis na opterecenje koje predstavlja izlazni stepen?
stein Napisano Jul 12, 2011 #58 Napisano Jul 12, 2011 E, pa onda poštovani kolega dvv, mogu samo da konstatujem da ste odabrali pogrešno mesto za pogrešnu temu. Pošto je očigledno da imate znanja i iskustva a radite na razvoju uređaja koji treba da vam na kraju obezbeđuje profit/egzistenciju, čemu sve ovo propitivanje na forumu gde se okupljaju ljubitelji samogradnje (bez obzira na stručnost ili nestručnost)... Ovde na ovakva pitanja nećete naći odgovor koji bi vas zadovoljio. Odgovor morate naći sami, za vlastitu konstrukciju koja će zadovoljiti vaše kriterijume i vašu viziju kako uređaj treba da bude izveden, kako da funkcioniše, kako da svira i kako da izgleda i kakve sve propise treba/mora da zadovolji...Da nisam toliko razuman i trezven koliko jesam, ovo bih čak mogao okarakterisati kao čistu ali i veoma perfidnu provokaciju. Znam da su vaše namere najbolje, ali ako želite da postignete ono što navodite kao konačan cilj, moraćete na žalost, da to postignete sopstvenim radom i kontemplacijom, jer svi mi imamo svoja mišljenja, a kao što je iz do sada izloženog jasno, vi od vašeg ne odstupate, niti mi od našeg... i onda to ne vodi zapravo nigde...
Fukushima Napisano Jul 12, 2011 #59 Napisano Jul 12, 2011 Oko prekomplikovanosti - kome je prekomplikovano, neka više ne obraća pažnju na njega. Znao sam, nista od odgovora na moja Glupa pitanja
sstrsat Napisano Jul 12, 2011 #60 Napisano Jul 12, 2011 Ispravka, stvarno su ovi otpornici od 15K vezani drugim krajevima na masu. Jednostavno nisan uocil na ovoj jako lose vidljivoj kopiji. Izvinjavam se i dvv-u i Borku. Je, u tom slucaju je stvarno iznos npv-a otprilike kako je navedeno. Moja greska, jednostavno san previdil tu liniju na shemi.To medjutim ipak ne minja bitno moj dojam o ovoj shemi koja ni u kojem slucaju nije single ended. Kad ovdi jedan izlazni par jace vodi, drugi vodi slabije a kod single ended topologije ne postoji takav "drugi" par ili element nego jedan element (ili par, svejedno) obavlja cili posal. Ovo ovdi ce zavisno od postavljanja struje mirovanja poc ili u klasu A ili u klasu AB ili u klasu B i delat ce u svim tim klasama. A SE vec i po samoj definiciji dela samo u klasi A. Tako da cu i dalje inzistirat da toj shemi prominis ime
VukJov Napisano Jul 13, 2011 #61 Napisano Jul 13, 2011 Ko od vas uopšte ugrađuje iole ozbiljniju zaštitu? Razmišljate li uopšte o tome? Niste u obavezi, jer sve što pravite je namenjeno vama i vama poznatima, a meni će neki kupac biti u Australiji ili u Brazilu.Mene da se pita ja bih ovu temu zaključao... toplo je vreme, lako se pokvari stomak!
Zen Mod Napisano Jul 13, 2011 #62 Napisano Jul 13, 2011 Vule dobio par plusica u warn level jer proviruje njegova cud - nikakve koristi a stete koliko volis ZM
sstrsat Napisano Jul 13, 2011 #63 Napisano Jul 13, 2011 http://i453.photobucket.com/albums/qq258/dvv/ShemaSStrsta.jpg Dejane, jos juce san trazil od tebe da prominis ime postanoj shemi a vidim da to jos nisi ucinil (13/07/2011 - 07h 40min) Ne mozes moj forumski nick koristit za nazivat sheme koje ja ni u ludilu ne bi potpisal Nadam se da sam bil jasan
dvv Napisano Jul 13, 2011 Autor #64 Napisano Jul 13, 2011 Dejane, jos juce san trazil od tebe da prominis ime postanoj shemi a vidim da to jos nisi ucinil (13/07/2011 - 07h 40min) Ne mozes moj forumski nick koristit za nazivat sheme koje ja ni u ludilu ne bi potpisal Nadam se da sam bil jasan Dobro, de, nemoj mi sada tu padati u nesvest.Koliko znam, ime se ne može naknadno promeniti bilo kako drugačije sem brisanjem, pa sam to i uradio, a da ne bi skroz nestala, evo je opet ali sa mojim imenom:
sstrsat Napisano Jul 13, 2011 #65 Napisano Jul 13, 2011 Dobro, de, nemoj mi sada tu padati u nesvest.Ovakve fraze ostavi za nekog drugogMoje ima i nick (ka ni bilo cije ime) ne mozes i ne smijes koristit kako ti padne na pamet. nadam se da sam dovoljno jasan a da ne bi skroz nestala, evo je opet ali sa mojim imenom:Bice bi neki plaka za njom
dvv Napisano Jul 13, 2011 Autor #66 Napisano Jul 13, 2011 E, pa onda poštovani kolega dvv, mogu samo da konstatujem da ste odabrali pogrešno mesto za pogrešnu temu. Pošto je očigledno da imate znanja i iskustva a radite na razvoju uređaja koji treba da vam na kraju obezbeđuje profit/egzistenciju, čemu sve ovo propitivanje na forumu gde se okupljaju ljubitelji samogradnje (bez obzira na stručnost ili nestručnost)... Ovde na ovakva pitanja nećete naći odgovor koji bi vas zadovoljio. Odgovor morate naći sami, za vlastitu konstrukciju koja će zadovoljiti vaše kriterijume i vašu viziju kako uređaj treba da bude izveden, kako da funkcioniše, kako da svira i kako da izgleda i kakve sve propise treba/mora da zadovolji...Da nisam toliko razuman i trezven koliko jesam, ovo bih čak mogao okarakterisati kao čistu ali i veoma perfidnu provokaciju. Znam da su vaše namere najbolje, ali ako želite da postignete ono što navodite kao konačan cilj, moraćete na žalost, da to postignete sopstvenim radom i kontemplacijom, jer svi mi imamo svoja mišljenja, a kao što je iz do sada izloženog jasno, vi od vašeg ne odstupate, niti mi od našeg... i onda to ne vodi zapravo nigde...Nemoj se ni truditi, jer da sam hteo ikoga da provociram, upotrebio bih sasvim drugačiju taktiku.Fakat jeste moja greška zbog nesporazuma, jer sam, i ne primetivši, kao neku moju skraćenicu upotrebio onu koja se objektivno odnosi na neke druge stvari. Momena nerazmišljanja i eto štete.Da li je ovo pravo mesto za takva pitanja ili ne, ne znam i neću ni saznati dok ne probam, a sada vidim da si verovatno u pravu. Nije problem ni u čemu drugome sem u potrebama za lični rad i sasvim drugačijim potrebama za neki opšti, javni komercijalni rad. Posle svih ovih godina, više nemam neke posebne volje da se petljam sa bilo kojim projektom koji ne mogu, makar potencijalno, i da komercijalizujem. Grubo rečeno, vama je ovo hobi i ljubav, i meni je ljubav, ali mi nije hobi, nego posao - i eto drugačijeg pogleda na sve to.Neko reče da je prekomplikovan za svega 50W - na to bih rekao da ima vati i vati. Za sada, ovo deluje kao da obećava, ali kao i uvek, dok se ne naprave živi modeli, dok se ne ispitaju i poslušaju, nema posla. Što se komplikovanosti tiče, pa saberite samo koliko posla i materijala ide na zakonom obavezne zaštite, pa ćete videti da u stvari uopšte i nije nešto komplikovan. I kod njega važi da je nebo granica - koristio sam tranzistore od 300V (a oni koji to nisu, čas posla to mogu da postanu), pa bi prostim dodavanjem i/ili modifikacijom izlaznog stepena lako mogao da se odvede do negde otprilike 250...300W/8 Oma.Nema veze, hvala svima onima koji su pogledali i rekli svoje, ma šta to bilo. I to je bilo korisno iskustvo.
Preporučeni Komentari
Kreiraj nalog ili se prijavi da daš komentar
Potrebno je da budeš član DiyAudio.rs-a da bi ostavio komentar
Kreiraj nalog
Prijavite se za novi nalog na DiyAudio.rs zajednici. Jednostavno je!
Registruj novi nalogPrijavi se
Već imaš nalog? Prijavi se ovde
Prijavi se odmah