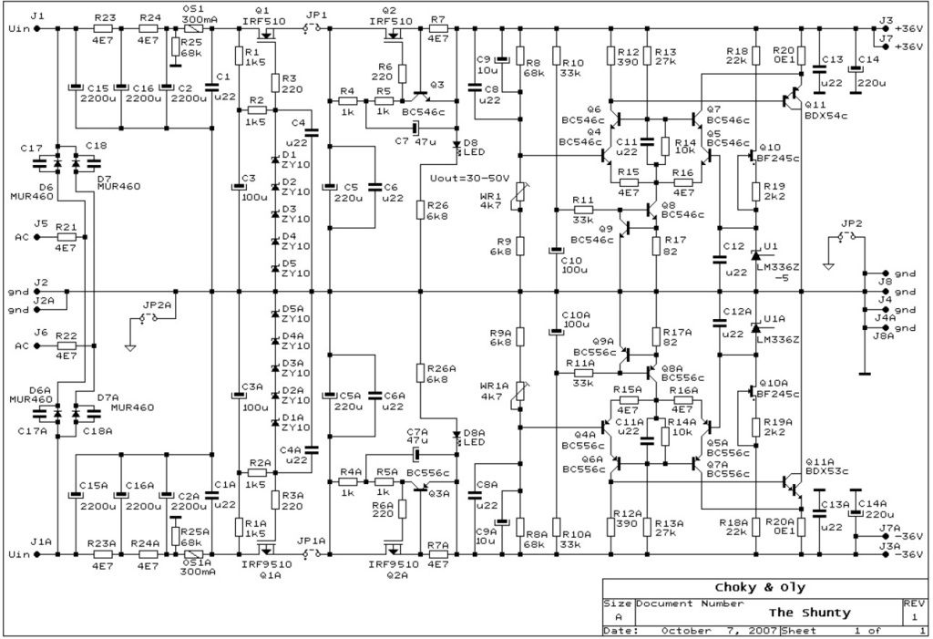
zocky Napisano Jun 18, 2015 #1 Napisano Jun 18, 2015 Šant regulator je napravljen po @Zen Mod šemi, pcb je moj dizajn koji se oslanja na Zenov, dual-mono koncept... Sva četiri regulatora drže na izlazu stabilnih 35V ali obe negativne grane osciluju na oko 30MHz sa amplitudom od oko 50mV, izlaz kod pozitivnih grana je čist DC kroz ceo opseg koji mogu da merim osciloskopom. Evo električne šeme regulatora: Korišteni su BC550/560 i IRF9510/IRF610. Dajte neki predlog za rešenje ovog problema...
Impuls Napisano Jun 18, 2015 #2 Napisano Jun 18, 2015 probajte izbaciti 220uF sa izlaza ili staviti znatno manji. ili je problem u crtanju stampe, postavite sliku pcb-a da vidimo
Zen Mod Napisano Jun 18, 2015 #3 Napisano Jun 18, 2015 stavi 1-10n B-C izlaznog darlingtona takodje povecati emiter degeneraciju LTP-a pojacivaca greske uglavnom su mrtvi sto se tice oscilacija a nekad se pogode gremlin kombinacija pojacanja tranzistora ....... mada je sve uradjeno skolski
Fukushima Napisano Jun 18, 2015 #4 Napisano Jun 18, 2015 stavi 1-10n B-C izlaznog darlingtona takodje povecati emiter degeneraciju LTP-a pojacivaca greske uglavnom su mrtvi sto se tice oscilacija a nekad se pogode gremlin kombinacija pojacanja tranzistora ....... mada je sve uradjeno skolski Mislis skolski si ga zakoplikovao . Mozda veci gate stoperi na IRF9510, jer imas oscilacije samo u negativnoj grani a mosfetovi nisi bas isti...?
Zen Mod Napisano Jun 18, 2015 #5 Napisano Jun 18, 2015 tesko da ima oscilaciju u prostom zener foloweru ako je ima , onda je do izlaznog , shunt , stepena LTP i darlington
zocky Napisano Jun 18, 2015 Autor #6 Napisano Jun 18, 2015 probajte izbaciti 220uF sa izlaza ili staviti znatno manji. ili je problem u crtanju stampe, postavite sliku pcb-a da vidimo U startu su sve 4 grane imale na izlazu po 100uF crni Jamicon, pnavljam oscilovanje se dešava samo u negativnim šantovima (baš su nekako negativni... ) U međuvremenu sam probao različite kombinacije vrednosti i vrsta kondova; bez kondenzatora i sa malim kapacitetom (150nF) potpuno podivlja regulator. Različitim kombinacijama oscilovanje se smanjuje ali nikako ne prestaje... Evo kako to izgleda sa 47uF+150nF, amplituda oscilovanja je oko 50mV, prikaz je za 4 različite vrmenske baze na skopu: A evo šta se dešava sa različitim kombinacijama kondova na izlazu, ništa drugo nije menjano/pomerano/podešavano, na slikama su podaci o kombinacijama: Mislim da ovo ispred govori da uzrok oscilovanja nije kond na izlazu već da se njime manje ili više krpe posledice nestabilnosti u regulacionom delu ... pokušaću sutra ono što je Zen predložio. Što se štampe tiče, mislim da ona nije problem jer je identična upotrebljena pre pet godaina u projektu "Kaneda" i tada nije bilo ovih problema sa Shunty-em. Evo izgleda PCB-a: TOP.pdf BOTTOM.pdf Đavli se zeke ali biti će napujdani pre ili kasnije Ovo napajanje je predviđeno za "The Pumpkin" preamp. On već neko vreme radi sa Shiny-em ili kako se već zvaše jednostaniji brat Shuntya... opasno dobro svira taj sklop u ortakovom sistemu pa je time zaslužio da mu se doda njegov prirodni parnjak za konačnu verziju koja će biti "skutijana".
Zen Mod Napisano Jun 18, 2015 #7 Napisano Jun 18, 2015 udri u glavu i cap na darlington i degeneracija LTP
guja011 Napisano Jun 18, 2015 #8 Napisano Jun 18, 2015 30 mega se ne davi golim kondom već bolje RC-om.
Bajlag Napisano Jun 18, 2015 #9 Napisano Jun 18, 2015 Pa, deluje kao rezonansica. Ako ti ponestane ideja, probaj i otpor u bazu BDX-a. Bem li ga 10,20,30 oma tako nesto,....
RoRa Napisano Jun 20, 2015 #10 Napisano Jun 20, 2015 Pojava signala od oko 30 MHz, amplitude oko 50 mV, na izlazu regulatora negativnog napona napajanja može poticati i od napona šuma na Zener diodi U1a kao izvoru referentnog napona. Probe radi, paralelno sa diodom vezati mali keramički kondenzator od oko 1 nF. Ako regulator zaista osciluje, može pomoći paralelno vezivanje manjeg keramičkog kondenzatora na C10a odnosno dodavanje ovoga kondenzatora između baze Q4a i GND. Kondenzatori velikog kapaciteta imaju veliku parazitnu induktivnost tako da su bez dejstva na visokim frekvencijama. Ako se pogleda šema nekog VF pojačavača može se uočiti da se "blokada" najčešće vrši paralelnim vezivanjem bar tri kondenzatora: elektrolit ( desetine uF) + folijski kondenzator (desetine nF)+ keramički kondenzator (reda nF).
zocky Napisano Jun 24, 2015 Autor #12 Napisano Jun 24, 2015 Jok Ali sam ih zato dobio i na pozitivnim regovima, doduše sa prilično manjom amplitudom. Probao sve što je ovde predloženo u različitim kombinacijama kompenzacija sa različitim vrednostima elemenata, uvek osciluje. Da sam hteo oscilator garant bi na skopu bila prava linija Ovo je trenutna situacija: Kada je samo pozitivan reg pod naponom onda ne osciluje ali uključenjem negativnog i on počinje da mrda... Stanje sa slike iznad je dobijeno sledećim kompenzacijama (iste su na svim regovima) : - na Q11 između B i C je 8n2, stoper na bazi je 56E - na Q4 i Q5 degeneracija je sa 27E - na U1 keramički 1nF (ne utiče na stabilnost) - kond na izlazu različitih vrednosti minorno utiče na oscilovanje Sve ovo je spustilo amlitudu oscilovanja se početnih 50mV na oko 10mV. Uspeo sam na kratko da smirim "leve" regulatore (štampa je simetrična u odnosu na grane i u odnosu na L i R kanal) ali dešavala se čudna "mehanička" pojava; kada malo čvrknem pločicu zaosciluje pa se smiri.... izgleda da je/su neki tranzistor/i na velikom hladnjaku imao neki prelazni otpor između pina i gornjeg sloja štampe. Kada sam to prelemio više nije bilo reakcije na potres a oscilovanje je "stabilno". Ovako je to izgledalo na skopu pre prelemljivanja: Na šemi stoji 0,1E u kolu emitera šant tranzistora, na pločici toga nema, probaću da ih stavim, možda se onda sve smiri. Evo konkretnih regulatora:
Impuls Napisano Jun 24, 2015 #14 Napisano Jun 24, 2015 C12 i C12a se nalaze jednim krajem na vodu shunt tranzistora pa bilo koja promena struje kroz tranzistor utice i na sense od tl431. to treba ispraviti da tranzistor i kond imaju zasebne vodove do iste tacke mase, tj. cvorista. najjednostavnije je preseci vod do tranzistora i dovest zicom
Bajlag Napisano Jun 24, 2015 #15 Napisano Jun 24, 2015 Imas zener folower, strujni izvor pa sant. Nije tu bas najjasnije gde je izvor problema. Ako izbacis iz igre zener folower i strujni izvor, tj umesto njih stavis odgovarajuci otpornik da sant moze da radi, pa ti oscilacije ostanu onda si siguran da poticu od santa. Ovako nisam bas 100% siguran da je bas sant u problemu. Sant deluje kao da je zamisljen da samo odrzava napon, bez potrebe za dinamickim reagovanjem, s obzirom na C8a i c9a. Ako mosfetovi brljave, sant tu ne moze da pomogne jer je spor. Ne bi bilo lose razbiti na podsklopove jer je malko kompleksno.
Fukushima Napisano Jun 24, 2015 #16 Napisano Jun 24, 2015 Sistem eliminacija podsklopova, jbg dosadno al sta je tu je...
zbotic Napisano Jun 24, 2015 #17 Napisano Jun 24, 2015 Ako okretanje trimera utječe na oscilacije onda je vjerojatno uzrok ranije.
zocky Napisano Jun 24, 2015 Autor #18 Napisano Jun 24, 2015 Ovakvo napajanje je kod mene već bilo u upotrebi i nije bilo nikakvih problema, bar ih ja tada nisam registrovao... kako god, Shunty je pravljen verovatno u više navrata na Zenovim pločicama i nigde nije pisano da osciluje. Ne odustajem lako, isteraću ovo do kraja, javljam se rezultatima "istrage" Zahvaljujem svima na pomoći!
Impuls Napisano Jun 24, 2015 #19 Napisano Jun 24, 2015 zar nije najjednostavnije da probate sto sam naveo, to je jedan minut
Fukushima Napisano Jun 24, 2015 #20 Napisano Jun 24, 2015 Impuls, ne razumem sta ste hteli da kazete oko C12? Za pocetak, otkacis jumpere i premeris posebno zener followere i posebno shuntove (pazi na ulazni napon napajanja zbog vece disipacije bez opterecenja) i vidi u kom delu je problem, pa ondaK dalje...
Impuls Napisano Jun 24, 2015 #21 Napisano Jun 24, 2015 C12 radi stabilizaciju lm336, nisam gledao semu pa sam mislio da je tl431 na tom mestu. Posto vod izmdje kolektora shunt tranzistora i mase mozemo pretstaviti kao dva otpornika na red male vrednosti, dobijamo da c12 nije na msi koju posmatra lm336 vec na otporniku male vrednosti na kom se menja napon usled promene struje kroz shunt tranzistor. Ako struja poraste raste i napon na lm336 pa on koriguje struju kroz bdx. smanjenjem struje kroz bdx smanjuje se i pad napona na vodu pa time i tacka c12 na masi spusta blize masi i koriguje napon na lm336 i tako smo dobili sistem koji je nestabilan i sam sebe tyera na oscilovanje. Treba preseci vod kolektora bdx-a i spojiti kolektor direktno u cvoriste i mislim da ce nestati problem Sem toga svi do sad lm336 koje sam kupio kod nas su bii skartovi sa naponima i po 2,7-2,8V
Fukushima Napisano Jun 25, 2015 #22 Napisano Jun 25, 2015 Ta mala vrednost otpornika je u miliomima...
Preporučeni Komentari
Kreiraj nalog ili se prijavi da daš komentar
Potrebno je da budeš član DiyAudio.rs-a da bi ostavio komentar
Kreiraj nalog
Prijavite se za novi nalog na DiyAudio.rs zajednici. Jednostavno je!
Registruj novi nalogPrijavi se
Već imaš nalog? Prijavi se ovde
Prijavi se odmah