stein Napisano Jul 5, 2011 #1 Napisano Jul 5, 2011 Došlo je vreme da moram da sskockam neki mali, relativno jednostavan ispravljač sa mogućnošću podešavanja napona, za sada, definitivno je dovoljno da bude jednostrano, u opsegu koji omogućava LM317K (TO3 kućište)... Treba mi za sitne probe, recimo, uparivanje tranzistora (jfeta, mosfeta i sl), isprobavanje jednostavnijih dodatnih sklopova (tajmeri, sklopovi za kašnjenje kod uključivanja), proveru sitnica gde nekada treba 3, nekada 4.5, nekada 12, 15 ili 24V...Pretpostavljam da je recimo, trafo 50VA dovoljan za takve namene... Ako neko ima neku sugestiju za konkretno rešenje sklopa, bio bih zahvalan. Dakle, samo mi treba da mogu da regulišem DC napon u nekim granicama, struje su po meni zanemarljive, verovatno nikada ni ceo amper... Pri bilo kom naponu. Bitno mi je da napon, koji god da namestim, bude stabilan...
RumbaKing Napisano Jul 5, 2011 #2 Napisano Jul 5, 2011 Ja sam pravio ovaj i radi vec par godina. Mislim da je i moja stampa ista taka.http://powersupplyadapter.blogspot.com/2009/08/adjustable-power-supply-3-30v25a.html
RumbaKing Napisano Jul 5, 2011 #3 Napisano Jul 5, 2011 Mozda jedino staviti neki noviji tranzistor umesto 2n3055, da nije u TO-3 kucistu tako da moze da se lemi direktno na plocicu i zauzima manje mesta. Mora i hladnjak za njega. Neka neko lupi sta bi islo, nisam u radionici.
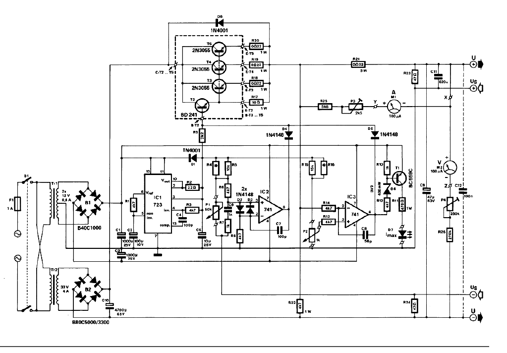
Ја sam sam Napisano Jul 5, 2011 #4 Napisano Jul 5, 2011 Колега Кватор и ја имамо исправљач са 723 пар транзистора. Могуће је подешавати напон као и граничити струју , што је веома битно.Можда је малко компликовано али ништа страшно. Једина мана му је што много дисипирају излазни транзистори ако се подеси мањи напон, а повећа струја.Баш прави лаб исправљач. Ако нађем шему качим је сигурно. Направиш га и имаш до краја живота.
RumbaKing Napisano Jul 5, 2011 #6 Napisano Jul 5, 2011 Evo jos neki dokument za onu semu koju sam gore postovao:http://ul.to/5ql6jmuu
stein Napisano Jul 6, 2011 Autor #8 Napisano Jul 6, 2011 Hvala za sugestije, uzeću ih u razmatranje. Ipak, za sada preferiram neko rešenje sa LM317K kao što sam već rekao u prvom postu.
stein Napisano Jul 6, 2011 Autor #10 Napisano Jul 6, 2011 Možda ti ovo odgovara !E, upravo o ovako nečemu sam razmišljao! Ispunjava sve zadate uslove, jednostavno, bazirano na LM317, i ako ne grešim, imam sve delove.Hvala!
stein Napisano Jul 6, 2011 Autor #12 Napisano Jul 6, 2011 Боље нађи ЛМ у ТО3 кућишту.Da si pročitao prvi post u temi, shvatio bi da upravo taj imam u fioci.
Bob03 Napisano Jul 26, 2011 #14 Napisano Jul 26, 2011 zeoN-e, Имаш ли комплетне инструкције за исправљач из поста #5?Или бар шему у већој резолуцији. Унапред хвала.
micro Napisano Jul 26, 2011 #15 Napisano Jul 26, 2011 zeoN-e, Имаш ли комплетне инструкције за исправљач из поста #5?Или бар шему у већој резолуцији. Унапред хвала. Postoji na netu klon velemanovog ispravljaca(neznam napamet pod kojim brojem su ga prodavali) 8A kontinualno 10A max,regulacija struje 0-10A i napona 0-30V. Radi sa jednim trafoom 2x15V, 300VA, koristi 2xLM723 i jedan OP nesto tranzistora i velike hladnjake, izrada nije jeftina. Na netu se moze naci kompletna velemanova upustva i slike za izradu. Mislim da se vec puno godina isti ne prodaje u kitu pa ne znam da li je objavljivanje klona PCB-a krsenje kopirajta ako bi se okacilo ovdije.
viktor1986 Napisano Jul 26, 2011 #16 Napisano Jul 26, 2011 Pre nekoliko dana sam nacrtao stampanu plocu u protelu, za kolegu, prema semi koju je postovao Zeon. Uploaded with ImageShack.us
Ја sam sam Napisano Jul 26, 2011 #17 Napisano Jul 26, 2011 zeoN-e, Имаш ли комплетне инструкције за исправљач из поста #5?Или бар шему у већој резолуцији. Унапред хвала. Имам.
Bob03 Napisano Jul 26, 2011 #18 Napisano Jul 26, 2011 Ovo je korigovana verzija jednog popularnog lab. ispravljaca. Originalna sema: http://www.electroni.../001/index.html Diskusija o modifikovanoj semi: http://www.electroni...p?topic=19066.0 Jedino sto jos fali je dizajn plocice. Posto se ne bavim time, jedino preostaje da Viktor1986 nadje malo vremena Modified 0-30V_0-3A Variable Power Supply_rev.2.pdf
guja011 Napisano Jul 26, 2011 #19 Napisano Jul 26, 2011 da, to je izvorno bio jako glup projekat. sada je ko frankenštajn, iskrpljeno do 00.ako gledaš taj nivo kompleksnosti, onda ti je elektorova šema daleko bolja pošto regulacija visi oko rednih tranzistora pa je time šemauniverzalna- sa jako malo izmena možeš imati bilokoji (razuman) napon i struju.
Nesic Napisano Jul 26, 2011 #20 Napisano Jul 26, 2011 Evo jednog lepog primerka laba: http://www.diyaudio....ic.php?f=3&t=83
HomeMadeAudioProject Napisano Jul 26, 2011 #21 Napisano Jul 26, 2011 Ovo poslednje je baš-baš...pravo! Nego,da li neko ima šemu (i volju da je postavi) regulisanog napajanja u obe grane napona recimo od 0 do +/-40-ak VDC i struje od 0-5A? Koristio bi ga pri prvom spajanju raznih pojačala nakon sastavljanja ili recimo prilikom popravki. Naravno može i link ka nekoj temi i slično. Pozdrav!
Ја sam sam Napisano Jul 27, 2011 #22 Napisano Jul 27, 2011 Ако већ крећете у пројекат по Електоровој шеми у старту предвидите бар четри комада 2Н3773 као редне транзисторе. Није на одмет и пет. Велика је дисипација при малим напонима а повећој струји.
Preporučeni Komentari
Kreiraj nalog ili se prijavi da daš komentar
Potrebno je da budeš član DiyAudio.rs-a da bi ostavio komentar
Kreiraj nalog
Prijavite se za novi nalog na DiyAudio.rs zajednici. Jednostavno je!
Registruj novi nalogPrijavi se
Već imaš nalog? Prijavi se ovde
Prijavi se odmah