Jump to content

Zen Mod

Administrator
  • Broj sadržaja

    39780
  • Na DiyAudio.rs od

  • Broj dana (pobeda)

    574

Sve objavljeno od Zen Mod

  1. Zen Mod

    LuDEF

    dok vi pricate, W. slusa .........
  2. Zen Mod

    LuDEF

    P nije od oP(a), nego od Plethora
  3. Zen Mod

    LuDEF

    LuDEF P ce bude bez Cinemag
  4. vid ga ovaj me vez ozalio
  5. ma ne treba to tebi ni tebi to ne treba...... zatrp'o se s gvožađ samo tako .....
  6. Zen Mod

    slusalice

    na linkwitz sajtu ima kolce za to ima svuda, al ovoj varijanti moze da se veruje ponajvise
  7. nemo da nam se Mikum pali on kad ne moze da konzumira predmet popale, oce dumre
  8. aha a i jezik mu pogan, taman kako treba
  9. Zen Mod

    LuDEF

    moz' da bude Old Soul P napravljen tako ........ svega 45W disipacije po kanalu ...... mlako ........ selektor i bal vol moguci na ne prevelikoj pcb nazad, logic module na frontu Int Old Soul P P mu dodje od ovoga: https://www.diyaudio.rs/topic/8906-zm-random-zanimacije/?do=findComment&comment=386407
  10. Zen Mod

    LuDEF

    ovo je gotova verzija, prvo od nekoliko novih ampova, od kojih sam za maltene sve postavio teaser fotke i/ili merenja ili stagod posle toga ide serija ampova koja ima active FE, umesto trafo-baziranog FE razlika u odnosu na ove trafojske je brdo manji THD, a i dalje ista Spectra horses for courses msm da ce za sve budu kitovi
  11. Zen Mod

    LuDEF

    Everybody lies Especially ones involved with Audio Market
  12. Zen Mod

    LuDEF

    jok
  13. Zen Mod

    LuDEF

    zasto?
  14. Zen Mod

    LuDEF

  15. Zen Mod

    LuDEF

    svira dobro, to je bitno kolko je drugacije i kako - msm, W ce da kaze, kad bude teo ako bude teo duze od 3 reci msm, kako moze da svira anap koji ima isti THD spectra kao SissySIT a munut milijon db down?
  16. Zen Mod

    LuDEF

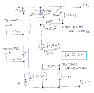
    now, as all important is explained, time to mull about rail sense I know for sure that Pa is using something in that manner already in PL products, but him being Pa - solving everything with resistors and zeners as level shifters Mighty ZM , being chicken , I didn't up to recently even know that resistor can be described as CCS ( even if poor one), and I decided to use helper CCS ( see explanation) in form of ultramumbojumbo5$specialpart in M2 case - wee see that optodiode is fed with voltage from source resistors, where we have voltage in abundance, even shaving it with series resistor in SissySIT ( still damn good piece of work, if you ask Mighty Modesty Moi), I did use Hall chips ( tnx, Mighty Indra) ....... slope of voltage given at chip output is (2V5 to 5V)/(0 to 5A) ........ but effectively lower due to all summing and whatnot; didn't tried zeners as level shifters to decrease summing losses, but damn slope must be same , shifted with resistors or with anything else working, but I maybe didn't knew that I can do better, but I obviously wished that I can do better, regarding Iq and offset stability in rail voltage/temp/time domains so, if one choose to use ( minimal needed value of) rail resistors as current sense chain, even with 0R11 ( two of 0R22 in parallel) we have better effective voltage slope with current change ; numbers doesn't compute exactly, but from actual circuit, behavior is better than with Hall Chips now ....... say that current is 1A5 , as in LuDEF we have 165mV across 0R11 sense resistor......... ( I didn't want bigger value, sue me ...... later I got that voltage slope is enough with that value ) ..... but optoled needs nominally 1V1 to shine happily ............. so- there is a trick with helper CCS ( again, Pa using resistor there) , which is going to add some voltage to optoled - simple addition of 220R resistor and CCS pulling some current , we got additional 935mV from there, when you gotta that optoled is shining happy, everything is just matter of more or less voltage through series 0R11 all that nicely transposed to opto in lower rail, so we now have rail resistors, each of them having own optotransistor to pull current trough, optotransistors are summed together again, cap between two rail resistors, if using any of preceeding solutions with two mosfet gates ( one up, one down) we have symmetrical values of rail resistors, everything behaving nicely and polite and .......... almost boring (M2 is same boring, regarding that) so, what was left - put all these puzzle pieces on table and combine them much greater problem is to choose which one of wast number of permutations is worthy of becoming an amp, than drawing any of them if I forgot something , blame Pa
  17. Zen Mod

    LuDEF

    now, how to solve those issues ...... unequal Rail resistors , SIT parts with greater Ugs number ..... sometimes time is needed either to make space for new problems in thick skull, or just to have some leeway, then be able to step aside and look at problem from another point level shifter part, that's it small mosfet, so Ugs is sorta symmetric to big mosfet down Ugs, .... suddenly Rail resistors are sorta equal again, practically no gate currents to complicate things ( as is case with some not so well behaving Tokins) principal schm down; ignore MECH. principle fro now I think everything is clear, except note about LS resistor - its value is roughly SIT Ugs divided with current trough small Mosf/LS res./CCS ;say that you put value just being in ballpark; you can always go back and alter its value , to get wanted symmetry of lower and upper mosfet Ugs values
  18. Zen Mod

    LuDEF

    things are getting tricky when we want to use different part than Mosfet ( either up or down) , while using same biasing technique say SissySIT (DEFiSIT) - Toking Bigun is different to N mosfet in that way that gate voltage is opposite in sign (differene between enhanced vs. depletion mode parts, +4V-ish vs. -3V-ish) now voltage window between gates is no more twice 4v (+4V reaching down to -4V), now it is -3Vsomething reaching to -4V we are happy campers if we have SIT with Ugs no greater in number than, say , 3V7 , so we have big enaough voltage window between gates, to squeeze optotransistor in some P mosfets are having Ugs in range of -4V5, thus allowing as little broader batch of Tokins to be used, but that's just one more thing to take care with, endless parts picking ....... current through R+ and R- is, logically, one current; due to fact that gates are not symmetrical to output node, now R+ and R- can't be approx. same in value, resulting in few problems, of which most important one is that mains fluctuation resulting in sliding output DC offset , also parts TempCo playing game with Iq, then rails fluctuating down ( if not regged) etc. Luckily , I succeeded more or less in set of compromises while making SissySIT , both first one and R.2
  19. Zen Mod

    LuDEF

    M2 in more details; as said - it's relatively easy when we want to use source resistors as Iq reference points; I mean - easy when we got recipe from Mithrandir also easy when we are using lower and upper output parts having so-so equal gate voltages, opposite side of output node, meaning +4V and -4V optodiode connected across source resistors, series resistor to optodiode taking care that diode is not getting more than nominally 1V1 , at preferred Iq through source resistors opto transisttor is now MECH. , governing current through R+ and R- , everything is Wine and Roses
  20. Zen Mod

    LuDEF

    repost sa big DiyA no way da prevodim well, really nothing new under the Sun - meaning there is hardly anything specially new or unique that I put here even if Papa really started us Greedy Boyz playing with Square Law OS arrangements, thing is old as Wheel, in fact also - using rail series resistors, again Papa's bag of tricks ( for us) but again nothing especially new neither source follower ( which is introduced here in front of upper output device) used as level shifter is anything new ..... thing is - it's hard to make anything absolutely unique, and wishing just that is right recipe to get yourself in not making anything at all ....... so , studying schematics from everywhere and one can just hope to get in situation to stand on Giant's shoulders one day ...... one day ............ anyway - here is basic , lets call it , M2 biasing mechanismus; simple as that: we have R+ connected to upper part gate, we have R- connected to lower part gate, we have some variable impedance connected between gates; varying that impedance we are varying voltage sag across R+ and R- , thus positioning gates at appropriate voltage potential ( one vs. another) , thus setting how much Iq will pass trough output devices call that variable impedance Rvar, further Mech. , shorted of mechanismus cap between gates is there to eliminate AC to appear between gates - we don't want that ........ and also worth to mention - R+ and R- are sorta same in value , difference being just what we need to set output offset to 0 ( N gate and P gate voltages not exactly being identical)
  21. Zen Mod

    LuDEF

    ima se, moze se Stize jos, a i Onetics, da se proba
  22. Zen Mod

    elektronka EZ21

    e, veruj mi da se ne setih danas da pogledam po taschen tabelle i ostalom samo mi noge virile iz ampa to sto rekoh , izvukoh iz Vademecum-a sto imam u kompu, pdf
  23. Zen Mod

    LuDEF

    slusao pola sata, ugasio i otisao iz radionice ja vise ne pravim pojacala
×
×
  • Kreiraj novo...